Operation CHARM: Car repair manuals for everyone.
Manuals through 2025 now available!

Our trusted friends have launched a new website named LEMON, which has newer manuals. It also contains all the CHARM manuals.

LEMON is the spiritual successor to CHARM, I recommend you try it!

Link: lemon-manuals.la or lemon-manuals.org.ua

(Some people have issue connecting. LEMON is investigating. For now, use Firefox or change your DNS server)

Or, hide this message: temporarily or permanently

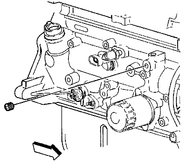
48. Engine Block Plug Installation

Engine Block Plug Installation





1. Apply gasket paste GM P/N United States 12346004, GM P/N Canada 10953480 to the plug before installation.

Notice: Refer to Fastener Notice in Service Precautions.

2. Install the engine block coolant drain plug.
^ Tighten the coolant jacket plug to 15 Nm (11 ft. lbs.).





3. Apply gasket paste GM P/N United States 12345493, GM P/N Canada 10953488 to the plugs before installation.
4. Install the cooling jacket core plugs.
5. Using a drift that closely matches the inside diameter of the plug, drive the plugs into the block until they are flush.





6. Apply gasket paste GM P/N United States 12346004, GM P/N Canada 10953480 to the front oil passage plug.

Important: The front oil passage plug is a special type with a lubrication hole for the timing chain. Do not install any other type of plug in this oil passage.

7. Install the front oil passage plug.
8. Install the engine front cover alignment dowels.





9. Apply gasket paste GM P/N United States 12346004, GM P/N Canada 10953480 to the upper oil passage plug before installation.
10. Install the upper oil passage plug.
^ Tighten the oil passage plug to 21 Nm (15 ft. lbs.).





11. Apply gasket paste GM P/N United States 12346004, GM P/N Canada 10953480 to the right side oil passage plug before installation.
12. Install the right side oil passage plug.
^ Tighten the oil passage plug to 21 Nm (15 ft. lbs.).





13. Apply gasket paste GM P/N United States 12346004, GM P/N Canada 10953480 to the rear oil passage plugs before installation.
14. Install the rear oil passage plugs.
^ Tighten the large oil passage plug to 33 Nm (24 ft. lbs.).
^ Tighten the small oil passage plug to 15 Nm (11 ft. lbs.).





15. Install the camshaft rear cover.
^ Tighten the camshaft rear cover bolts to 12 Nm (106 inch lbs.).