Procedures
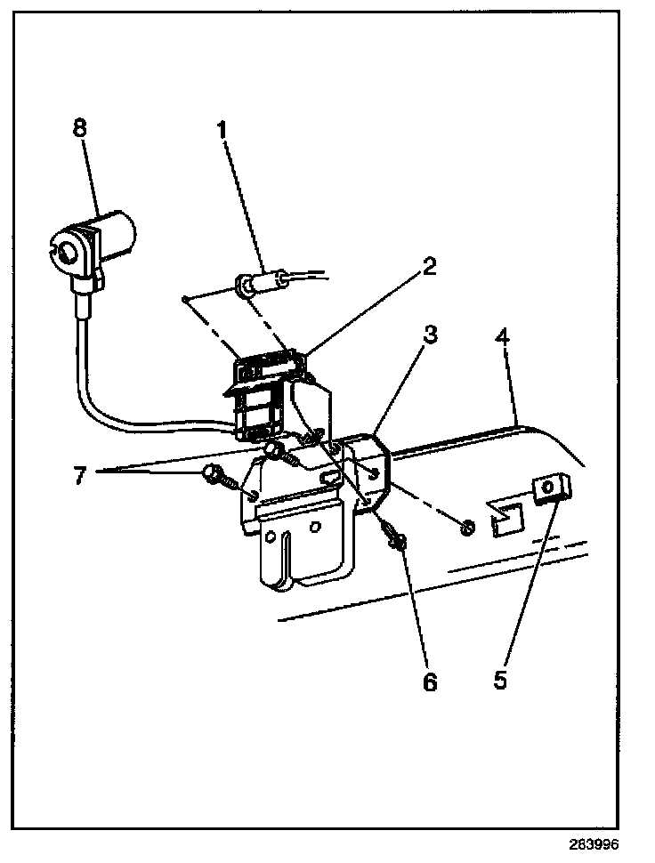
LOCK CYLINDER REPLACEMENT - REAR COMPARTMENT LIDREMOVAL PROCEDURE
1. Remove the compartment lid applique (Pontiac only).
2. Remove the compartment lid latch cable assembly (8) from behind the lid lock. Spread the black plastic housing and pull down.
3. Remove the compartment lid lock cylinder retainer (4) (Cavalier only).
4. Drill out the rivets (Sunfire only).
5. Remove the compartment lid lock cylinder (1).
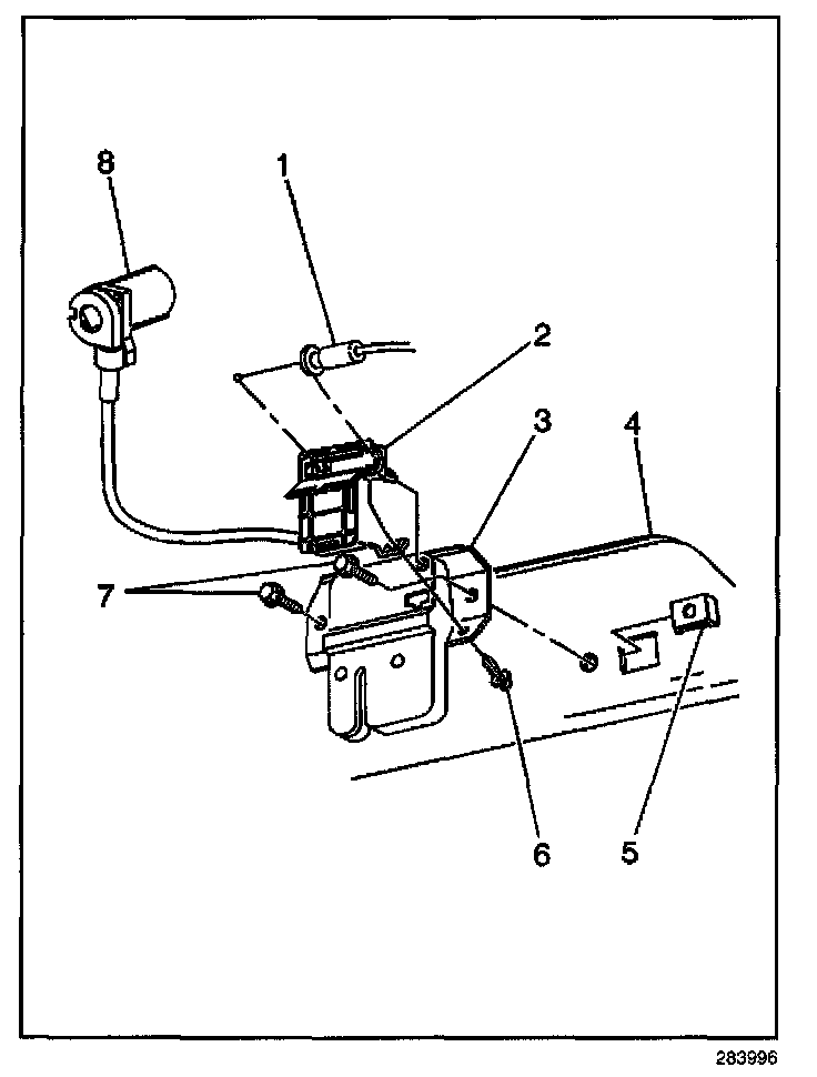
INSTALLATION PROCEDURE
1. Install the compartment lid lock cylinder (1).
2. Install the compartment lid lock cylinder retainer (4), Cavalier only.
3. Install the spacer and the lock rivets (Sunfire only).
4. Install the compartment lid lock cable assembly (8).
5. Install the compartment lid applique, (Sunfire only).