Operation CHARM: Car repair manuals for everyone.
Manuals through 2025 now available!

Our trusted friends have launched a new website named LEMON, which has newer manuals. It also contains all the CHARM manuals.

LEMON is the spiritual successor to CHARM, I recommend you try it!

Link: lemon-manuals.la or lemon-manuals.org.ua

(Some people have issue connecting. LEMON is investigating. For now, use Firefox or change your DNS server)

Or, hide this message: temporarily or permanently

Water Pump: Service and Repair

Water Pump Replacement

^ Tools Required
- J 43651 Water Pump Sprocket Holding Tool

Replacement Procedure





1. If equipped with an automatic transmission, remove the exhaust manifold.
2. Drain the cooling system.
3. Raise and suitably support the vehicle. Refer to Vehicle Lifting.
4. Remove the right front tire and wheel.
5. Remove the front fender liner.
6. Remove the access plate on the water pump sprocket from the timing cover.





7. Install J 43651 to the water pump sprocket.
8. Use the access plate bolts to secure J43651 to the engine front cover.
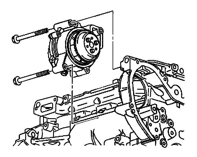
9. Remove the bolts that secure the sprocket to the water pump.





10. Remove the bolt (1) that secures the engine block to the water pump.
11. Remove the bolt (2) that secures the engine front cover to the water pump.





12. Remove the feed pipe that joins the thermostat housing to the water pump.





13. Remove the 2 Bolts that secure the water pump to the engine block.
14. Remove the water pump.

Installation Procedure





1. Use a threaded stud in the hub to align the hub to the water pump sprocket.
2. Install the water pump.
3. Install the 2 bolts that secure the water pump to the engine block.





4. Install the feed pipe that joins the thermostat housing to the water pump.





Notice: Refer to Fastener Notice in Service Precautions.

5. Install the engine front cover bolt (2) and the bolt (1) that secures the engine block to the water pump.
^ Tighten the bolts to 20 Nm (15 ft. lbs.).
6. Install 2 of the bolts that secure the water pump sprocket to the water pump.
7. Remove the threaded stud.
8. Install the last bolt.
^ Tighten the bolts to 10 Nm (89 inch lbs.).





9. Remove J 43651.





10. Install the access plate on the water pump sprocket to the timing cover.
11. Install the bolts that secure the access plate to the timing cover.
^ Tighten the bolts to 10 Nm (18 inch lbs.).
12. Install the front fender liner.
13. Install the right front tire and wheel.
14. If equipped with an automatic transmission, install the exhaust manifold.
15. Fill the cooling system.