Operation CHARM: Car repair manuals for everyone.
Manuals through 2025 now available!

Our trusted friends have launched a new website named LEMON, which has newer manuals. It also contains all the CHARM manuals.

LEMON is the spiritual successor to CHARM, I recommend you try it!

Link: lemon-manuals.la or lemon-manuals.org.ua

(Some people have issue connecting. LEMON is investigating. For now, use Firefox or change your DNS server)

Or, hide this message: temporarily or permanently

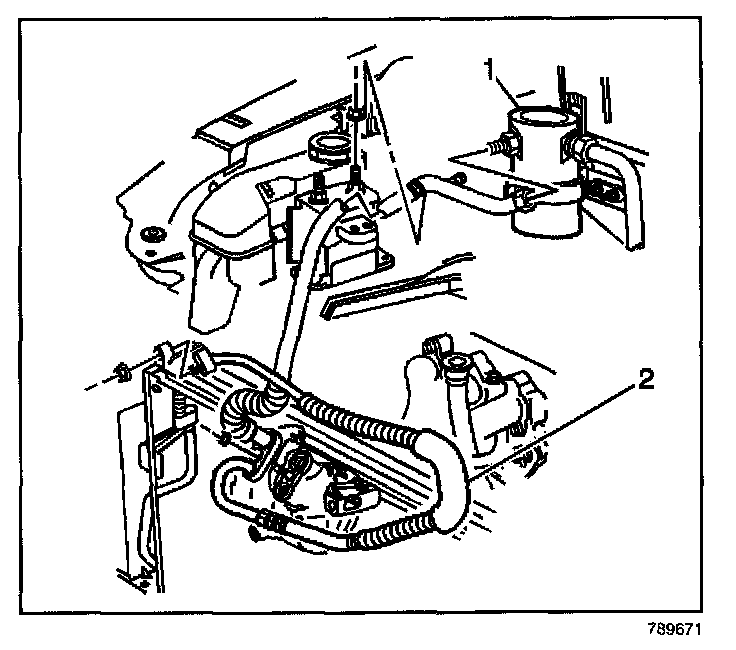
Compressor Hose Assembly Replacement

TOOLS REQUIRED
J 39400-A Halogen Leak Detector

REMOVAL PROCEDURE




1. Recover the refrigerant. Refer to Refrigerant Recovery and Recharging.
2. Raise and support the vehicle. Refer to Lifting and Jacking the Vehicle.
3. Remove the compressor hose assembly to the compressor bolt.
4. Remove the compressor hose assembly from the compressor.
5. Remove and discard the sealing washers.
6. Lower the vehicle.
7. Remove the hood close out filler panel.
8. Reposition the cruise control module out of the way, if equipped. Refer to Cruise Control Module Replacement (2.2L LN2) or Cruise Control Module Replacement (2.2L L61) or Cruise Control Module Replacement (2.4L LD9) in Cruise Control.
9. Remove the two nuts holding the bracket for the PCM Module. Position the bracket and module out of the way.
10. Disconnect the refrigerant pressure sensor electrical connector.
11. Remove the nut holding the compressor hose assembly fitting to the condenser.
12. Remove the compressor hose assembly from the condenser.
13. Remove and discard the O-ring seal.

14. Remove the fitting nut for the compressor hose assembly to accumulator.
15. Remove the compressor hose assembly from the accumulator (1).
16. Remove and discard the O-ring seals.
17. Remove the compressor hose assembly (2) from the vehicle.

INSTALLATION PROCEDURE




1. Install a NEW O-ring seal to the accumulator end of the compressor hose assembly.

NOTE: Refer to Fastener Notice in Service Precautions.

2. Install the compressor hose assembly and the fitting nut to the accumulator.

Tighten
Tighten the fitting nut to 35 N.m (26 lb ft).

3. Install a NEW O-ring seal to the condenser end of the compressor hose assembly.
4. Install the compressor hose assembly to the condenser.
5. Install the fitting nut for the compressor hose assembly to the condenser.

Tighten
Tighten the nut to 16 N.m (12 lb ft).

6. Raise and support the vehicle.
7. Install NEW sealing washers to the compressor ports.
8. Install the compressor hose assembly to the compressor.
9. Install the nut holding the compressor hose assembly to the compressor.

Tighten
Tighten the nut to 16 N.m (12 lb ft).

10. Lower the vehicle.
11. Connect the refrigerant pressure sensor electrical connector.
12. Position the bracket holding the PCM Module on to the shock tower.
13. Install the bracket nuts holding the PCM Module on to the shock tower.

Tighten
Tighten the nuts to 10 N.m (89 lb in).

14. Install the cruise control module.
15. Install the hood close out filler panel.
16. Evacuate and recharge the A/C system. Refer to Refrigerant Recovery and Recharging.
17. Leak test the fittings of the component using the J 39400-A.