Operation CHARM: Car repair manuals for everyone.
Manuals through 2025 now available!

Our trusted friends have launched a new website named LEMON, which has newer manuals. It also contains all the CHARM manuals.

LEMON is the spiritual successor to CHARM, I recommend you try it!

Link: lemon-manuals.la or lemon-manuals.org.ua

(Some people have issue connecting. LEMON is investigating. For now, use Firefox or change your DNS server)

Or, hide this message: temporarily or permanently

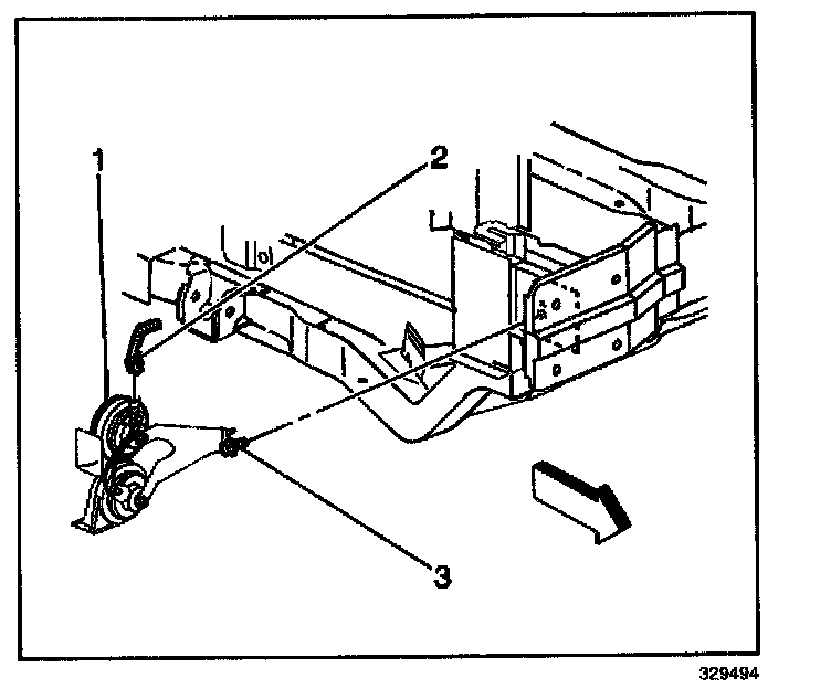
Horn: Service and Repair

REMOVAL PROCEDURE




1. Remove the right front fender liner.
2. Disconnect the horn electrical connector (2).
3. Remove the horn bracket bolt (3).
4. Remove the horn (1) from the front frame rail.

INSTALLATION PROCEDURE




1. Position the horn (1) into the slot in the front frame rail.

NOTE: Refer to Fastener Notice in Service Precautions.

2. Install the horn bracket bolt (3).

Tighten
Tighten the bolt (3) to 10 N.m (89 lb in).

3. Connect the horn electrical connector (2).
4. Install the right front fender liner.