Operation CHARM: Car repair manuals for everyone.
Manuals through 2025 now available!

Our trusted friends have launched a new website named LEMON, which has newer manuals. It also contains all the CHARM manuals.

LEMON is the spiritual successor to CHARM, I recommend you try it!

Link: lemon-manuals.la or lemon-manuals.org.ua

(Some people have issue connecting. LEMON is investigating. For now, use Firefox or change your DNS server)

Or, hide this message: temporarily or permanently

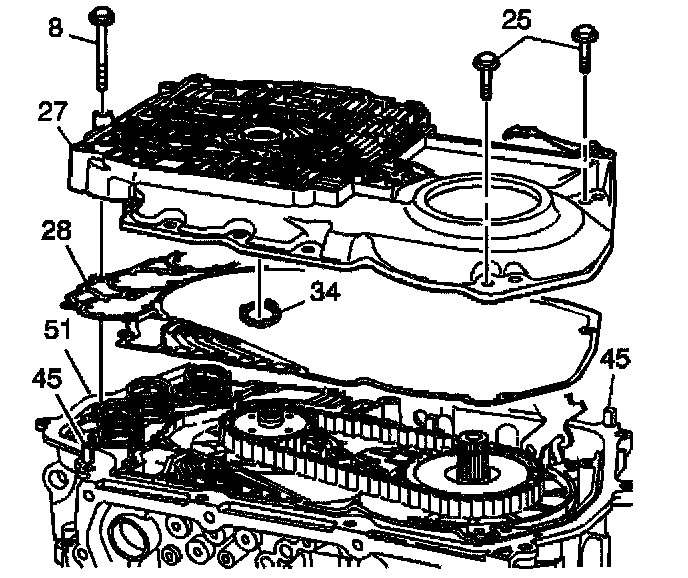
92. Channel Plate Assembly Installation

^ Tools Required
- J 36850 TRANSJEL(TM)





1. Install the channel plate to drive sprocket thrust washer (34) onto the channel plate (27).
2. Retain the thrust washer (34) with J 36850 or equivalent.
3. Install a new channel plate to case gasket (28) onto the transmission case (51).
4. Install the channel plate assembly onto the transmission case (51). The channel plate should fit tightly over the guide pins (45) located on the transmission case (51).

Notice: Refer to Fastener Notice in Service Precautions.

5. Install two channel plate bolts (25).
^ Tighten the two channel plate bolts (25) to 14 Nm (10.5 ft. lbs.).
6. Install the eight channel plate to case bolts (8, 25) and the two channel plate to driven sprocket support bolts (25). Hand tighten the bolts.
^ Tighten to either 12 Nm (9 ft. lbs.) or 14 Nm (10.5 ft. lbs.).