Operation CHARM: Car repair manuals for everyone.
Manuals through 2025 now available!

Our trusted friends have launched a new website named LEMON, which has newer manuals. It also contains all the CHARM manuals.

LEMON is the spiritual successor to CHARM, I recommend you try it!

Link: lemon-manuals.la or lemon-manuals.org.ua

(Some people have issue connecting. LEMON is investigating. For now, use Firefox or change your DNS server)

Or, hide this message: temporarily or permanently

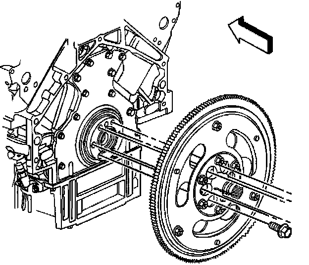
Flywheel: Service and Repair

Engine Flywheel Replacement

Removal Procedure

Notice: Failure to follow the proper removal and installation procedures may result in damage to the engine crankshaft thrust bearing.

Notice: When tilting down the rear of the driveline, observe the clearance between the rear of the engine and the composite dash panel. Do not allow the engine to rest unsupported against the composite dash panel, or vehicle damage may result.

Notice: When lowering and removing the rear of the driveline, observe the clearance between the rear of the transaxle assembly and the underbody to prevent damage.

Important:
^ For manual transmission applications, note the position and direction of the engine flywheel before removal. The flywheel does not use a locating pin for alignment. Mark or scribe the end of the crankshaft and the flywheel before component removal. The engine flywheel must be reinstalled to the original position and direction. The engine flywheel will not initially seat against the crankshaft flange, but will be pulled onto the crankshaft by the engine flywheel bolts. This procedure requires a 3 stage tightening process.
^ DO NOT remove the prop shaft hub or flex plate from the automatic transmission engine flywheel. The flywheel, prop shaft hub, and flex plate are balanced as an assembly. If service is required, the entire flywheel assembly should be replaced.
^ If replacing the manual transmission flywheel, note the location of any existing balance weights (relative to the position of the flywheel locating hole). Install new balance weights into the new flywheel (if applicable). The flywheel balance weights must be installed into the new flywheel in the same location as the old flywheel. A properly installed balance weight will be either flush of below with the face of the flywheel.

1. Remove the catalytic converter.
2. Remove the driveline support, if equipped with a automatic transmission.
3. Remove the clutch assembly, if equipped with a manual transmission.





4. Mark or scribe the end of the crankshaft and the flywheel.





5. If equipped with a automatic transmission, remove the engine flywheel bolts.





6. If equipped with a manual transmission, remove the engine flywheel bolts.
7. Remove the engine flywheel.





8. Note the position and location of the manual transmission flywheel balance weights (if applicable).

Installation Procedure

Important: For manual transmission applications, note the position and direction of the engine flywheel before removal. The flywheel does not use a locating pin for alignment. Mark or scribe the end of the crankshaft and the flywheel before component removal. The engine flywheel must be reinstalled to the original position and direction. The engine flywheel will not initially seat against the crankshaft flange, but will be pulled onto the crankshaft by the engine flywheel bolts. This procedure requires a 3 stage tightening process.
DO NOT remove the prop shaft hub or flex plate from the automatic transmission engine flywheel. The flywheel, prop shaft hub, and flex plate are balanced as an assembly. If service is required, the entire flywheel assembly should be replaced.
If replacing the manual transmission flywheel, note the location of any existing balance weights (relative to the position of the flywheel locating hole). Install new balance weights into the new flywheel (if applicable). The flywheel balance weights must be installed into the new flywheel in the same location as the old flywheel. A properly installed balance weight will be either flush of below with the face of the flywheel.





1. Mark or scribe the NEW flywheel for installation.
Use the flywheel locating hole as a reference and mark the NEW flywheel in the same location as with the component that is to be replaced.
2. Install flywheel balance weights to the NEW manual transmission flywheel (if applicable).





3. If equipped with a manual transmission, align the mark or scribe on the crankshaft with the mark or scribe on the flywheel.





4. If equipped with a automatic transmission, align the mark or scribe on the crankshaft with the mark or scribe on the flywheel.
5. Install the engine flywheel.
6. Apply threadlock GM U.S. P/N 12345382, Canada P/N 10953489, or equivalent to the threads of the flywheel bolts.

Notice: Refer to Fastener Notice in Service Precautions.





7. Install the engine flywheel bolts until snug.
7.1. Tighten the engine flywheel bolts a first pass in sequence to 20 Nm (15 ft. lbs.).
7.2. Tighten the engine flywheel bolts a second pass in sequence to 50 Nm (37 ft. lbs.).
7.3. Tighten the engine flywheel bolts a final pass in sequence to 100 Nm (74 ft. lbs.).
8. Install the driveline support, if equipped with a automatic transmission.
9. Install the clutch assembly, if equipped with a manual transmission.
10. Install the catalytic converter.