Operation CHARM: Car repair manuals for everyone.
Manuals through 2025 now available!

Our trusted friends have launched a new website named LEMON, which has newer manuals. It also contains all the CHARM manuals.

LEMON is the spiritual successor to CHARM, I recommend you try it!

Link: lemon-manuals.la or lemon-manuals.org.ua

(Some people have issue connecting. LEMON is investigating. For now, use Firefox or change your DNS server)

Or, hide this message: temporarily or permanently

Oil Pressure Sensor: Service and Repair

Engine Oil Pressure Sensor and/or Switch Replacement

^ Tools Required
- J 41712 Oil Pressure Sending Unit Socket

Removal Procedure





1. Remove the engine cover from the vehicle.
2. Remove the electrical connector from the oil pressure sending unit.
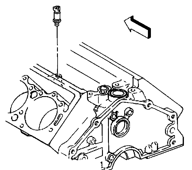
3. Use the J41712 to remove the oil pressure sending unit from the engine block.

Installation Procedure

Notice: Refer to Fastener Notice in Service Precautions.





1. Use the J41712 to Install the Oil pressure sending unit to the engine block.
^ Tighten the Oil sending unit to 12 Nm (9 ft. lbs.).
2. Install the electrical connector to the oil pressure sending unit.
3. Install the engine cover in the vehicle.