Operation CHARM: Car repair manuals for everyone.
Manuals through 2025 now available!

Our trusted friends have launched a new website named LEMON, which has newer manuals. It also contains all the CHARM manuals.

LEMON is the spiritual successor to CHARM, I recommend you try it!

Link: lemon-manuals.la or lemon-manuals.org.ua

(Some people have issue connecting. LEMON is investigating. For now, use Firefox or change your DNS server)

Or, hide this message: temporarily or permanently

Starter Motor: Service and Repair

REMOVAL PROCEDURE

CAUTION: Refer to Battery Disconnect Caution in Service Precautions.




1. Disconnect the negative battery cable (1).
2. Raise and suitably support the vehicle with safety stands. Refer to Lifting and Jacking the Vehicle.




3. Remove the starter motor bolts.
4. Lower the starter motor.




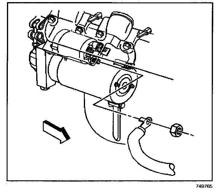
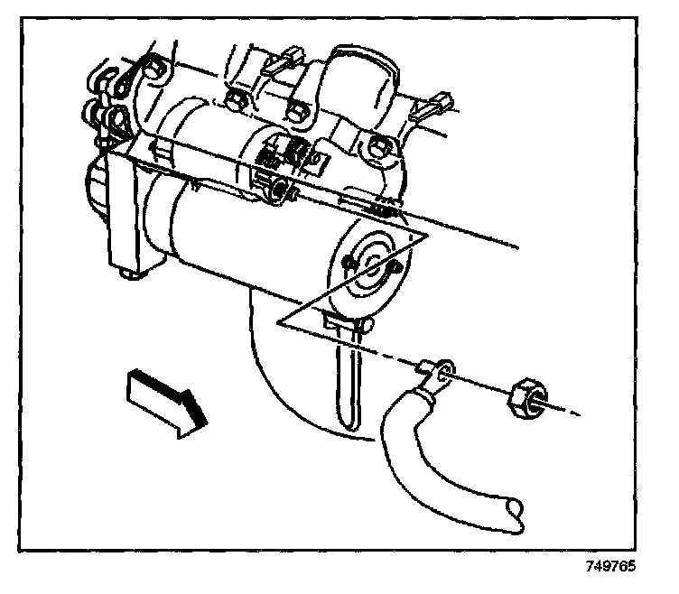
5. Disconnect the knock sensor (1).
6. Remove the engine harness nut (2).
7. Remove the engine harness (3) from the starter.




8. Remove the positive cable nut.
9. Remove the positive cable from the starter.
10. Place the starter motor on a work bench.




11. If necessary, remove the starter heat shield bolts, nut and shield.

INSTALLATION PROCEDURE

NOTE: Refer to Fastener Notice in Service Precautions.




1. If necessary, install the starter heat shield, nut and bolts.

Tighten
- Tighten the starter heat shield bolts to 3 N.m (35 lb in).
- Tighten the starter shield nut to 5 N.m (44 lb in).

2. Place the starter motor into position.




3. Install the positive cable to the starter.
4. Install the positive cable nut.

Tighten
Tighten the positive cable nut to 10 N.m (89 lb in).




5. Install the engine harness (3) to the starter.
6. Install the engine harness nut (2).

Tighten
Tighten the engine harness nut to 2 N.m (18 lb in).




7. Raise the starter motor into place.
8. Install the starter motor bolts.

Tighten
Tighten the starter motor bolts to 50 N.m (37 lb ft).

9. Lower the vehicle.




10. Connect the negative battery cable (1).