Operation CHARM: Car repair manuals for everyone.
Manuals through 2025 now available!

Our trusted friends have launched a new website named LEMON, which has newer manuals. It also contains all the CHARM manuals.

LEMON is the spiritual successor to CHARM, I recommend you try it!

Link: lemon-manuals.la or lemon-manuals.org.ua

(Some people have issue connecting. LEMON is investigating. For now, use Firefox or change your DNS server)

Or, hide this message: temporarily or permanently

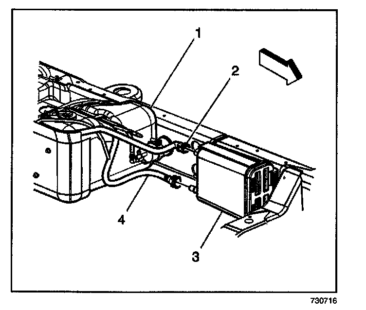
EVAP System Components

EVAP CANISTER

EVAP Canister:




The EVAP canister is a sealed unit with 3 ports.
^ Purge line connection (1)
^ Vapor line connection (2)
^ Vent line connection (3)




The canister (3) is filled with carbon pellets used to absorb and store fuel vapors. Fuel vapor is stored in the canister until the control module determines that the vapor can be consumed in the normal combustion process.

EVAP PURGE VALVE
The EVAP purge valve controls the flow of vapors from the EVAP system to the intake manifold. This normally closed valve is Pulse Width Modulated (PWM) by the control module to precisely control the flow of fuel vapor to the engine. The valve will also be opened during some portions of the EVAP testing, allowing engine vacuum to enter the EVAP system.

EVAP VENT VALVE
The EVAP vent valve controls fresh airflow into the EVAP canister. It is a normally open valve. The control module will command the valve closed during some EVAP tests, allowing the system to be tested for leaks.

FUEL TANK PRESSURE SENSOR
The fuel tank pressure (FTP) sensor measures the difference between the pressure or vacuum in the fuel tank and outside air pressure. The control module provides a 5-volt reference and a ground to the FTP sensor. The FTP sensor provides a signal voltage back to the control module that can vary between 0.1-4.9 volts. As FTP increases, FTP sensor voltage decreases, high pressure = low voltage. As FTP decreases, FTP voltage increases, low pressure or vacuum = high voltage.

EVAP SERVICE PORT
The EVAP service port is located in the EVAP purge pipe between the EVAP purge valve and the EVAP canister. The service port is identified by a green colored cap.

EVAP PRESSURE/PURGE DIAGNOSTIC STATION

EVAP Pressure/Purge Diagnostic Station:




The J41413 EVAP Pressure/Purge Diagnostic Station (2) is used to help locate leaks in the EVAP system. The station provides a clean, dry, regulated supply of nitrogen to pressurize the EVAP system. Refer to the directions on the cart for proper operation. The fuel filler neck adapter is used to adapt the EVAP pressure/purge diagnostic station to the fuel filler neck. Pressurizing the EVAP system at the fuel filler neck allows testing of the filler neck and the fuel fill cap on vehicles with On-board Refueling Vapor Recovery (ORVR).

The J41416 Ultrasonic Leak Detector is then used to pinpoint the source of the leak.