Operation CHARM: Car repair manuals for everyone.
Manuals through 2025 now available!

Our trusted friends have launched a new website named LEMON, which has newer manuals. It also contains all the CHARM manuals.

LEMON is the spiritual successor to CHARM, I recommend you try it!

Link: lemon-manuals.la or lemon-manuals.org.ua

(Some people have issue connecting. LEMON is investigating. For now, use Firefox or change your DNS server)

Or, hide this message: temporarily or permanently

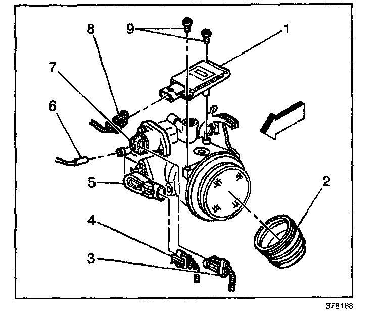
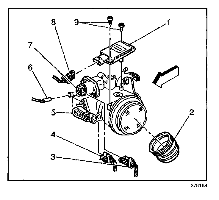
Air Flow Meter/Sensor: Service and Repair

MASS AIR FLOW (MAF) SENSOR REPLACEMENT

REMOVAL PROCEDURE




1. Remove the fuel injector sight shield.

IMPORTANT: The mass air flow (MAF) sensor is attached to the throttle body assembly.

2. Disconnect the MAF sensor electrical connector (8).
3. Remove the MAF sensor screws (9).
4. Remove the MAF sensor (1).

INSTALLATION PROCEDURE




1. Install the MAF sensor (1).

NOTE: Refer to Fastener Notice in Service Precautions.

2. Install the MAF sensor screws (9).

Tighten
Tighten the screws to 3 N.m (27 lb in).

3. Connect the MAF sensor electrical connector (8).
4. Install the fuel injector sight shield.