Operation CHARM: Car repair manuals for everyone.
Manuals through 2025 now available!

Our trusted friends have launched a new website named LEMON, which has newer manuals. It also contains all the CHARM manuals.

LEMON is the spiritual successor to CHARM, I recommend you try it!

Link: lemon-manuals.la or lemon-manuals.org.ua

(Some people have issue connecting. LEMON is investigating. For now, use Firefox or change your DNS server)

Or, hide this message: temporarily or permanently

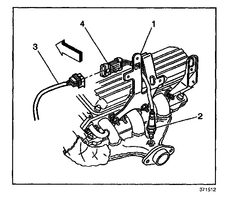
Heated Oxygen Sensor (HO2S) 1 Replacement

TOOLS REQUIRED
J 39194 Oxygen Sensor Wrench

NOTE: The Heated Oxygen Sensor (HO2S) and the Oxygen Sensor use a permanently attached pigtail and connector. Do not remove this pigtail from the Heated Oxygen Sensor. Damage or the removal of the pigtail or the connector could affect the proper operation of the sensor.

Take care when handling the HO2S and the O2S. Keep the in-line electrical connector and the louvered end free of grease, dirt, or other contaminants. Also avoid using cleaning solvents of any type. Do not drop the HO2S or the O2S. Do not roughly handle the HO2S or the O2S.

Removal Procedure

NOTE: The oxygen sensor may be difficult to remove when the engine temperature is below 48°C (120°F). Excessive force may damage threads in the exhaust manifold or the exhaust pipe.




1. Remove the fuel injector sight shield.
2. Remove the heated oxygen sensor (HO2S) electrical CPA retainer.
3. Disconnect the HO2S wiring harness connector (3) from the HO2S electrical connector (4).
4. Remove the HO2S electrical connector (4) from the fuel injector sight shield bracket (1).

IMPORTANT: Remove the oxygen sensor with the engine temperature above 48°C (120°F). Otherwise the oxygen sensors may be difficult to remove.

5. Use the J 39794 to remove the HO2S (2).

Installation Procedure

NOTE: Refer to Fastener Notice in Service Precautions.

IMPORTANT: A special anti-seize compound is used on the oxygen sensor (1) threads. New service sensors should already have the compound applied to the threads. Coat the threads of a reused sensor with anti-seize compound P/N 12377953 or equivalent.




1. Install the rear oxygen sensor in the right exhaust manifold.

Tighten
Use the J 39794 to tighten the HO2S to 41 N.m (30 lb ft).

2. Connect the HO2S electrical connector (4) to the wiring harness connector (3).
3. Install the HO2S electrical connector (4) to the fuel injector sight shield bracket (1).
4. Install the HO2S electrical CPA retainer
5. Install the fuel injector sight shield.