Operation CHARM: Car repair manuals for everyone.
Manuals through 2025 now available!

Our trusted friends have launched a new website named LEMON, which has newer manuals. It also contains all the CHARM manuals.

LEMON is the spiritual successor to CHARM, I recommend you try it!

Link: lemon-manuals.la or lemon-manuals.org.ua

(Some people have issue connecting. LEMON is investigating. For now, use Firefox or change your DNS server)

Or, hide this message: temporarily or permanently

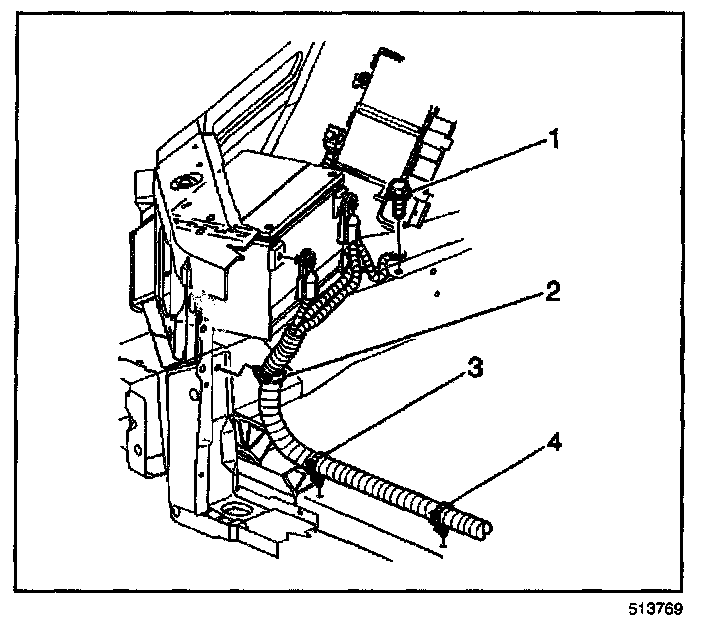
Battery Positive Cable Replacement

REMOVAL PROCEDURE

IMPORTANT: When replacing battery cables be sure to use replacement cables that are the same type, gage and length.




1. Disconnect the negative battery cable.
2. Disconnect the positive battery cable.
3. Remove the ground wire bolt and the ground wire from the frame.




4. Remove the remote positive stud cover




5. Remove the positive cable junction block lead nut (1).
6. Remove the positive battery cable (2) from the underhood accessory wiring junction block.
7. Raise and support the vehicle. Refer to Lifting and Jacking the Vehicle.
8. Remove the front lower air deflector.




9. Remove the positive battery cable nut (8) from the starter motor BAT terminal.
10. Remove the positive battery cable (9) from the starter motor BAT terminal.




11. Unclip and remove the battery cable harness from the retainers (2,3,4).
12. Remove the battery cable harness from the vehicle.
13. Remove the positive battery cable from the wiring harness conduit.

INSTALLATION PROCEDURE




1. Install the positive battery cable into the wiring harness conduit.
2. Install the battery cable harness to the retainers (2,3,4).




3. Install the positive battery cable (9) to the starter motor BAT terminal.

NOTE: Refer to Fastener Notice in Service Precautions.

4. Install the positive battery cable nut (8) to the starter motor BAT terminal.

Tighten
Tighten the nut to 10 N.m (89 lb in).

5. Install the front lower air deflector.
6. Lower the vehicle.




7. Install the positive battery cable (2) to the underhood accessory wiring junction block.
8. Install the positive cable junction block lead nut (1).

Tighten
Tighten the nut to 10 N.m (89 lb in).




9. Install the remote positive stud cover.




10. Install the ground wire and the bolt to the frame.

Tighten
Tighten the bolt to 10 N.m (89 lb in).

11. Connect the positive battery cable.

Tighten
Tighten the terminal bolt to 15 N.m (11 ft lb).

12. Connect the negative battery cable.