Operation CHARM: Car repair manuals for everyone.
Manuals through 2025 now available!

Our trusted friends have launched a new website named LEMON, which has newer manuals. It also contains all the CHARM manuals.

LEMON is the spiritual successor to CHARM, I recommend you try it!

Link: lemon-manuals.la or lemon-manuals.org.ua

(Some people have issue connecting. LEMON is investigating. For now, use Firefox or change your DNS server)

Or, hide this message: temporarily or permanently

Oil Pressure Sensor: Service and Repair

Engine Oil Pressure Sensor and/or Switch Replacement

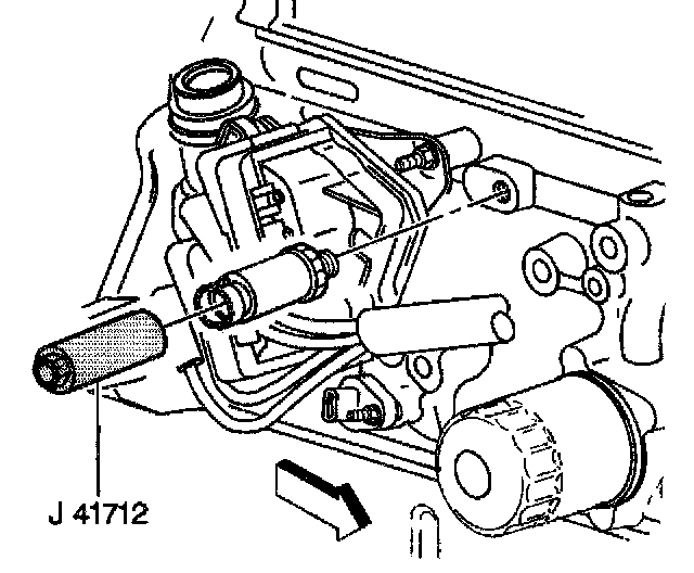
^ Tools Required
- J 41712 Oil Pressure Switch Socket

Removal Procedure





1. Raise the vehicle. Refer to Vehicle Lifting.
2. Remove the right fender wheelhouse extension.
3. Disconnect the engine oil pressure gauge sensor electrical connector (2).





4. Using the J 41712 remove the engine oil pressure gauge sensor.

Installation Procedure





1. Install the engine oil pressure gauge sensor using the J 41712.
^ Tighten to 12 Nm (106 inch lbs.).





2. Connect the engine oil pressure gauge sensor electrical connector (2).
3. Install the right fender wheelhouse extension.
4. Lower the vehicle.