Operation CHARM: Car repair manuals for everyone.
Manuals through 2025 now available!

Our trusted friends have launched a new website named LEMON, which has newer manuals. It also contains all the CHARM manuals.

LEMON is the spiritual successor to CHARM, I recommend you try it!

Link: lemon-manuals.la or lemon-manuals.org.ua

(Some people have issue connecting. LEMON is investigating. For now, use Firefox or change your DNS server)

Or, hide this message: temporarily or permanently

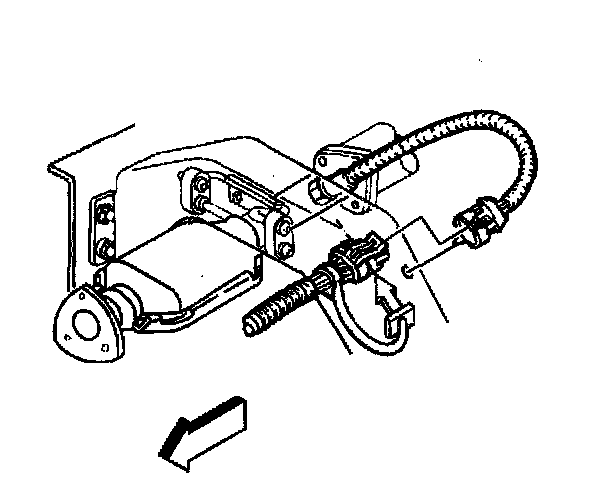
Catalytic Converter: Service and Repair





Catalytic Converter Replacement

Removal Procedure

Caution: Refer to Protective Goggles and Gloves Caution in Service Precautions.

Notice: Refer to General Vehicle Lifting and Jacking Notice in Service Precautions.





1. Raise and suitably support the vehicle. Refer to Vehicle Lifting.
2. Disconnect the heated oxygen sensor (H02S) electrical connection.





3. Remove the catalytic converter to exhaust manifold pipe flange nuts.





4. Remove the muffler to the catalytic converter flange nuts.
5. Remove the muffler from the catalytic converter.





6. Remove the catalytic converter from the catalytic converter hanger.
7. Remove the catalytic converter from the vehicle.
8. Remove the heated oxygen sensors (H02S) as necessary.

Installation Procedure





1. Install the heated oxygen sensors (H02S) as necessary.
2. Install the catalytic converter and new gasket to the vehicle.
3. Install catalytic converter to the catalytic converter hanger.





4. Install the muffler and new gasket to the catalytic converter.

Notice: Refer to Fastener Notice in Service Precautions.

5. Install the muffler to the catalytic converter flange nuts.
^ Tighten the muffler to the catalytic converter flange nuts to 35 Nm (26 ft. lbs.).





6. Install the catalytic converter to the exhaust manifold pipe flange nuts.
^ Tighten the catalytic converter to the exhaust manifold pipe flange nuts to 35 Nm (26 ft. lbs.).





7. Connect the heated oxygen sensor (H02S) electrical connection.
8. Lower the vehicle.