Operation CHARM: Car repair manuals for everyone.
Manuals through 2025 now available!

Our trusted friends have launched a new website named LEMON, which has newer manuals. It also contains all the CHARM manuals.

LEMON is the spiritual successor to CHARM, I recommend you try it!

Link: lemon-manuals.la or lemon-manuals.org.ua

(Some people have issue connecting. LEMON is investigating. For now, use Firefox or change your DNS server)

Or, hide this message: temporarily or permanently

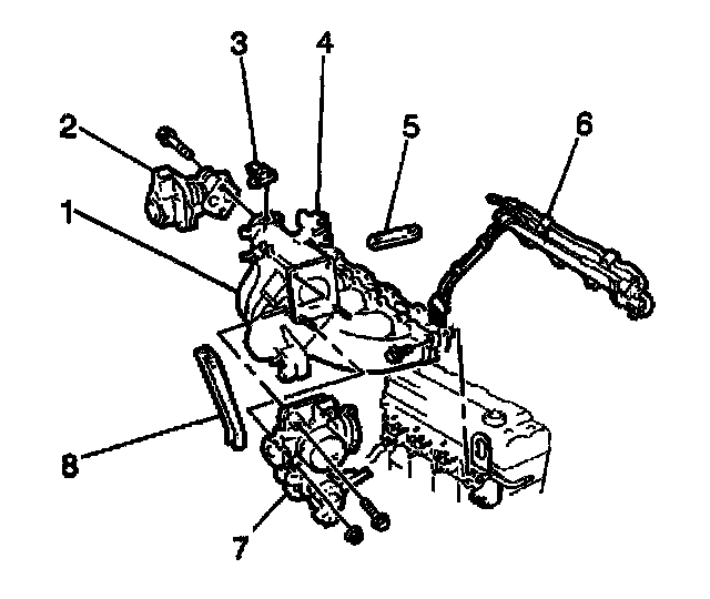
Intake Manifold: Service and Repair

Intake Manifold Replacement

Removal Procedure





Caution: Refer to Battery Disconnect Caution in Service Precautions.

1. Disconnect the negative battery cable.
2. Relieve the fuel pressure.
3. Drain the engine coolant.
4. Remove the air cleaner hose.
5. Remove the 1 bolt and the accelerator cable bracket (2) from the intake manifold.
6. Remove the cables from the throttle body bellcrank.





7. Disconnect the following electrical connectors:
- The fuel injector harness (3)
- The manifold absolute pressure (MAP) sensor (11)
- The throttle position (TP) sensor (8)
- The-idle air control (IAC) valve (6)
- The EVAP canister purge valve (7)
- The exhaust gas recirculation (EGG) valve (1)
8. Remove the bolt and the ground wires from the intake manifold (10).
9. Remove the EVAP canister purge hose from the intake manifold.
10. Remove the EVAP vacuum line from the intake manifold.
11. Remove 1 bolt and the EVAP canister purge valve from the intake manifold and position aside.
12. Remove the coolant hoses (4,5) from the throttle body and intake manifold.
13. Remove the 2 bolts and the coolant line (5) from underside of the intake manifold.
14. Remove the brake booster hose from the intake manifold.
15. Remove the PCV hose from the intake manifold.
16. Remove the breather hose from the intake manifold.
17. Remove the fuel pressure regulator vacuum hose from the intake manifold.
18. Remove the bolt that holds the fuel line bracket (9) to the intake manifold.
19. Disconnect the wiring harness from the retaining clamps.





20. Remove the banjo fitting and washer from the rear end of the fuel rail.
21. Remove the 2 bolts that hold the fuel lines to the fuel rail.
22. Remove the 2 bolts and the intake manifold front support bracket.
23. Remove the 2 bolts and the intake manifold top support bracket.





24. Remove the 9 nuts and 4 bolts from the intake manifold.
25. Remove the intake manifold from the cylinder head.
26. Remove the intake manifold gasket from the cylinder head.
27. Inspect the intake manifold for cracks, warpage or other damage.
28. Clean the gasket sealing surfaces.
29. Remove the following components from the intake manifold and transfer as necessary:
- The Throttle Body (7)
- The EGR valve (2)
- The EGR pipe
- The MAP sensor (3)

Installation Procedure





1. Install the following components to the intake manifold as necessary:
- The Throttle Body (7)
- The EGR valve (2)
- The EGR pipe
- The MAP sensor (3)
2. Install the new intake manifold gasket to the cylinder head.

Notice: Refer to Fastener Notice in Service Precautions.

3. Install the intake manifold to the cylinder head.
Secure the intake manifold with the 9 nuts and the 4 bolts.
- Tighten the nuts and bolts to 25 Nm (19 ft. lbs.).





4. Install the intake manifold front support bracket. Secure with the 2 bolts.
5. Install the intake manifold top support bracket. Secure with the 2 bolts.





6. Install the fuel line bracket (9).to the intake manifold. Secure with 1 bolt.
7. Install the fuel lines to the fuel rail. Secure with the 2 bolts.
8. Install the washer and the banjo fitting to the rear end of the fuel rail.
9. Connect the fuel pressure regulator vacuum hose to the intake manifold.
10. Install the coolant line (5) to the underside of the intake manifold. Secure with the 2 bolts.
11. Connect the coolant hoses (4,5) to the throttle body and the intake manifold.
12. Install the EVAP canister purge valve to the intake manifold. Secure with 1 bolt.
13. Connect the canister purge hose to the intake manifold.
14. Connect the EVAP vacuum line to the intake manifold.
15. Connect the brake booster hose to the intake manifold.
16. Connect the PCV hose to the intake manifold.
17. Connect the breather hose to the intake manifold.
18. Install the ground wires to the intake manifold (10). Secure with the bolt.
19. Connect the following electrical connectors:
- The fuel injector harness (3)
- The manifold absolute pressure (MAP) sensor (11)
- The throttle position (TP) sensor (8)
- The idle air control (IAC) valve (6)
- The EVAP canister purge valve (7)
- The exhaust gas recirculation (EGR) valve (1)
20. Secure the wiring harness to the retaining clamps.





21. Connect the cables to the throttle body bellcrank.
22. Connect the accelerator cable bracket (2) to the intake manifold. Secure with the 1 bolt.
23. Adjust the accelerator cable play to specifications if necessary.
24. Install the air cleaner hose.
25. Fill the cooling system.
26. Upon completion of the installation, start the engine and check for fuel and engine coolant leaks.