Operation CHARM: Car repair manuals for everyone.
Manuals through 2025 now available!

Our trusted friends have launched a new website named LEMON, which has newer manuals. It also contains all the CHARM manuals.

LEMON is the spiritual successor to CHARM, I recommend you try it!

Link: lemon-manuals.la or lemon-manuals.org.ua

(Some people have issue connecting. LEMON is investigating. For now, use Firefox or change your DNS server)

Or, hide this message: temporarily or permanently

Power Steering Line/Hose: Service and Repair

Power Steering Hose Assembly Replacement

Tools Required
^ J44586 Power Steering Gear Oil Seal Remover/Installer

Removal Procedure

Notice: Refer to Power Steering Hose Disconnected Notice in Service Precautions.

1. Raise the vehicle and support with suitable safety stands. Refer to Vehicle Lifting.





2. Install a drain pan under the vehicle.
3. Remove the power steering hose assembly to the power steering gear retaining bolt.
4. Disconnect the power steering hose assembly from the power steering gear.





5. Remove the power steering return hose and power steering cooler hose from the power steering cooler.
6. Lower the vehicle.
7. Disconnect the fuse block wiring harnesses from the wiring loops.
8. Remove the fuse block.
9. Remove the battery tray.





10. Remove the power steering hose assembly bracket retaining bolt at the wheel well.
11. Disconnect the power steering hose assembly bracket from the wheel well.
12. Remove the power steering hose assembly to frame brackets retaining bolts.





13. Remove the power steering hose assembly to front crossmember bracket mounting bolt.
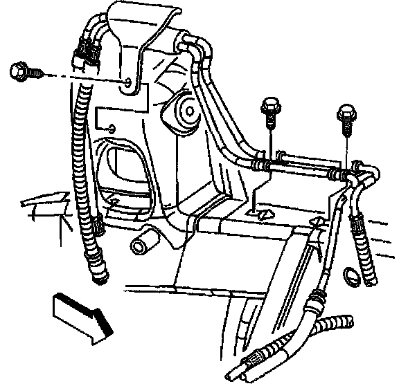
14. Remove the power steering pressure hose (1) and power steering cooler hose (2) from the power steering pump.
15. Remove the power steering hose assembly from the vehicle.

Installation Procedure
1. Install the power steering hose assembly to the vehicle.





2. Install the power steering cooler hose (2) to the power steering pump.

Notice: Refer to Fastener Notice in Service Precautions.

3. Install the power steering pressure hose (1) to the power steering pump.
Tighten the power steering pressure hose to the power steering pump to 25 Nm (18 ft. lbs.).
4. Install the power steering hose assembly to front crossmember bracket mounting bolt.
Tighten the power steering hose assembly to front crossmember bracket mounting bolt to 10 Nm (7 ft. lbs.).





5. Install the power steering hose assembly to frame brackets retaining bolts.
Tighten the power steering hose assembly to frame brackets retaining bolts to 10 Nm (7 ft. lbs.).
6. Connect the power steering hose assembly bracket to the wheel well.
7. Install the power steering hose assembly bracket retaining bolt at the wheel well.
Tighten the power steering hose assembly bracket retaining bolt at the wheel well to 10 Nm (7 ft. lbs.).
8. Install the fuse block.
9. Install the battery tray.
10. Connect the fuse block harnesses to the wiring loops.
11. Raise the vehicle. Refer to Vehicle Lifting.





12. Install the power steering return hose and the power steering cooler hose to the power steering cooler.
13. Remove the power steering gear oil seals from the power steering gear using J44586.

Notice: Clean the power steering gear inlet and outlet ports thoroughly of any debris. Failure to do so could result in contamination and damage to the power steering system components.

14. Clean the power steering gear inlet and outlet ports of any debris.
15. Install the power steering gear oil seals to the power steering gear using J44586.





16. Connect the power steering hose assembly to the power steering gear.
17. Install the power steering hose assembly to power steering gear retaining bolt.
Tighten the power steering hose assembly to power steering gear retaining bolt to 12 Nm (9 ft. lbs.).
18. Remove the drain pan from under the vehicle.
19. Lower the vehicle.
20. Bleed the power steering system.