Operation CHARM: Car repair manuals for everyone.
Manuals through 2025 now available!

Our trusted friends have launched a new website named LEMON, which has newer manuals. It also contains all the CHARM manuals.

LEMON is the spiritual successor to CHARM, I recommend you try it!

Link: lemon-manuals.la or lemon-manuals.org.ua

(Some people have issue connecting. LEMON is investigating. For now, use Firefox or change your DNS server)

Or, hide this message: temporarily or permanently

Heater Core Replacement - Auxiliary

REMOVAL PROCEDURE




1. Drain the cooling system. Refer to Draining and Filling Cooling System in Cooling System.
2. Raise and support the vehicle. Refer to Lifting and Jacking the Vehicle.
3. Disconnect the auxiliary heater hoses from the auxiliary heater core pipes.




4. Lower the vehicle.
5. Remove the left rear quarter trim panel.
6. Remove the auxiliary heater pipe clamp screw.
7. Remove the auxiliary heater pipe clamp.
8. Disconnect the auxiliary inlet heater hose clamps.
Slide the hose clamps up onto the heater core pipe.
9. Loosen the auxiliary inlet heater hose at the heater core.
Slide the heater hose and pipe extension downward.
10. Disconnect the auxiliary outlet heater hose clamps.
Slide the hose clamps up onto the heater core pipe.
11. Loosen the auxiliary outlet heater hose at the heater core.
Slide the heater hose and pipe extension downward.




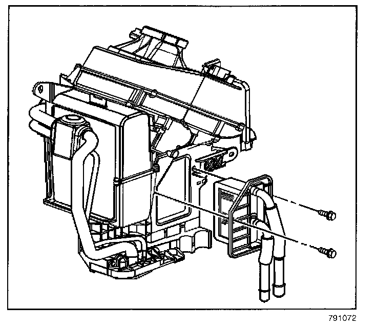
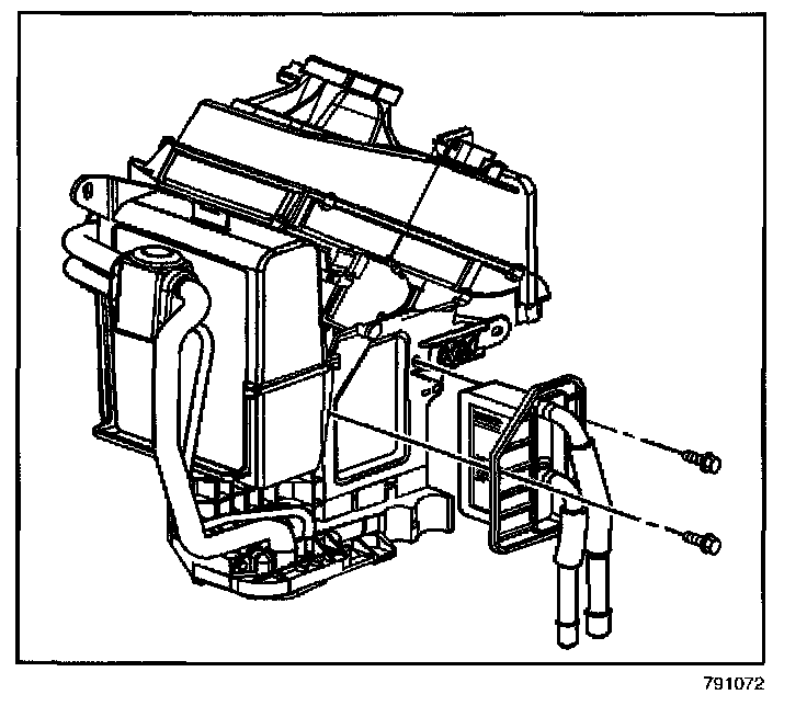
12. Remove the auxiliary heater core mounting screws.
13. Remove the auxiliary heater core from the HVAC module assembly.




14. Remove the heater core mounting bracket from the auxiliary heater core.

INSTALLATION PROCEDURE




1. Install the heater core mounting bracket to the auxiliary heater core.




2. Install the auxiliary heater core to the HVAC module assembly.

NOTE: Refer to Fastener Notice in Service Precautions.

3. Install the auxiliary heater core mounting screws.

Tighten
Tighten the screws to 1.6 N.m (14 lb in).




4. Install the hose clamps to the auxiliary heater core pipes.
5. Install the outlet heater hose to the auxiliary heater core.
6. Install the inlet heater hose to the auxiliary heater core.

IMPORTANT: Align the inlet and outlet pipes to allow for the heater pipe clamp installation.

7. Install the auxiliary heater pipe clamp.
8. Install the auxiliary heater pipe clamp screw.

Tighten
Tighten the screw to 1.6 N.m (14 lb in).

9. Connect the auxiliary outlet heater hose clamps.
10. Connect the auxiliary inlet heater hose clamps.
11. Raise and support the vehicle. Refer to Lifting and Jacking the Vehicle.
12. Connect the auxiliary heater hoses to the heater core pipes.
13. Lower the vehicle.
14. Fill the cooling system. Refer to Draining and Filling Cooling System in Cooling System.
15. Install the left rear quarter trim panel.