Operation CHARM: Car repair manuals for everyone.
Manuals through 2025 now available!

Our trusted friends have launched a new website named LEMON, which has newer manuals. It also contains all the CHARM manuals.

LEMON is the spiritual successor to CHARM, I recommend you try it!

Link: lemon-manuals.la or lemon-manuals.org.ua

(Some people have issue connecting. LEMON is investigating. For now, use Firefox or change your DNS server)

Or, hide this message: temporarily or permanently

HVAC Module Assembly Replacement - Auxiliary

TOOLS REQUIRED
J 39400-A Halogen Leak Detector

REMOVAL PROCEDURE




1. Recover the refrigerant. Refer to Refrigerant Recovery and Recharging.
2. Remove the left rear quarter trim panel.
3. Drain the cooling system. Refer to Draining and Filling Cooling System in Cooling System.
4. Raise and support the vehicle. Refer to Lifting and Jacking the Vehicle.
5. Remove the level ride air compressor.
6. Remove the auxiliary A/C line block fitting bolt.

IMPORTANT: Cap or tape the open A/C refrigerant lines immediately.

7. Disconnect the A/C line block fitting, remove and discard the sealing washers and cap or tape the lines to prevent contamination of the system.




8. Disconnect the auxiliary heater hoses from the heater core pipes.
9. Lower the vehicle.




10. Remove the air distribution duct mounting bolts.
11. Disconnect the air distribution duct from the HVAC module.
12. Disconnect the auxiliary blower motor electrical connector.
13. Disconnect the auxiliary blower motor resistor electrical connector.
14. Disconnect the auxiliary temperature actuator electrical connector.




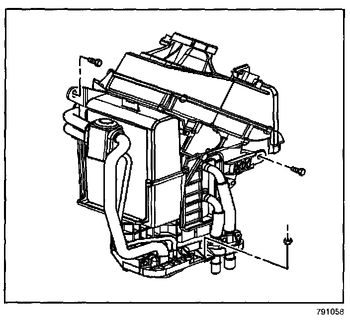
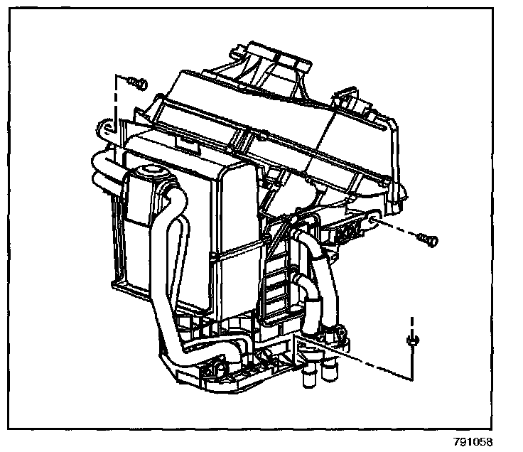
15. Remove the HVAC module assembly mounting bolts and nut.
16. Remove the HVAC module assembly from the vehicle.
17. Remove and discard the HVAC module assembly to body seals.

INSTALLATION PROCEDURE




1. Install new HVAC module assembly to body seals.
2. Install the HVAC module assembly to the vehicle.

NOTE: Refer to Fastener Notice in Service Precautions.

3. Install the HVAC module assembly mounting bolts and the nut.

Tighten
Tighten the bolts and the nut to 10 N.m (89 lb in).




4. Connect the auxiliary temperature actuator electrical connector.
5. Connect the electrical connector to the auxiliary blower motor resistor.
6. Connect the auxiliary blower motor electrical connector.
7. Connect the auxiliary air distribution duct to the HVAC module assembly.
8. Install the auxiliary air distribution duct mounting bolts.

Tighten
Tighten the bolts to 10 N.m (89 lb in).

9. Raise and support the vehicle. Refer to Lifting and Jacking the Vehicle.




10. Connect the auxiliary heater hoses to the heater core pipes.
11. Remove the cap or tape from the A/C lines.
12. Using a lint-free clean, dry cloth, carefully clean the sealing surfaces of the A/C lines.

IMPORTANT: Flat washer type seals do not require lubrication.

13. Slide the new sealing washers onto the A/C line until seated.




14. Install the auxiliary A/C line block fitting bolt.

Tighten
Tighten the bolt to 20 N.m (15 lb ft).

15. Install the level ride air compressor.
16. Lower the vehicle.
17. Fill the cooling system. Refer to Draining and Filling Cooling System in Cooling System.
18. Evacuate and recharge the A/C system. Refer to Refrigerant Recovery and Recharging.
19. Leak test the fittings of the component using J 39400-A.
20. Install the left rear quarter trim panel.