Operation CHARM: Car repair manuals for everyone.
Manuals through 2025 now available!

Our trusted friends have launched a new website named LEMON, which has newer manuals. It also contains all the CHARM manuals.

LEMON is the spiritual successor to CHARM, I recommend you try it!

Link: lemon-manuals.la or lemon-manuals.org.ua

(Some people have issue connecting. LEMON is investigating. For now, use Firefox or change your DNS server)

Or, hide this message: temporarily or permanently

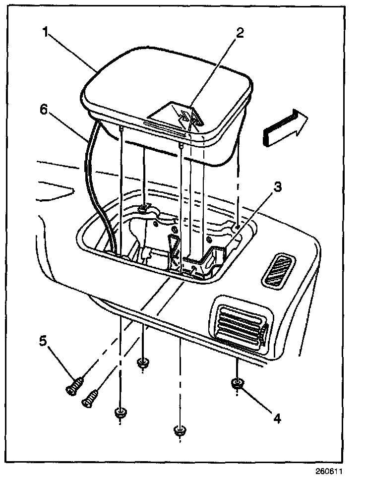
Inflatable Restraint Instrument Panel Module Replacement

REMOVAL PROCEDURE

CAUTION: Refer to SIR Inflator Module Handling And Storage Caution in Service Precautions.

1. Disable the SIR system. Refer to Air Bag(s) Arming and Disarming.
2. Remove the instrument panel (I/P) compartment and the electrical connector from the I/P compartment lamp.
3. Remove the I/P module pigtail harness clips from the I/P carrier bracket.




4. Remove the mounting fasteners (4) that attach the inflatable restraint module to the I/P.
5. Remove the bolts (5) that attach the inflatable restraint I/P module to the cross-car beam.
6. Remove the inflatable restraint I/P module (1) from the vehicle.
7. Fully deploy the module before disposal. If the module was replaced under warranty, fully deploy and dispose of the module after the required retention period. Refer to Inflator Module Handling and Scraping.

INSTALLATION PROCEDURE




1. Install the inflatable restraint I/P module (1) to the vehicle.
2. Install the inflatable restraint I/P module bolts (5).

NOTE: Refer to Fastener Notice in Service Precautions.

3. Install the inflatable restraint I/P module mounting fasteners (4).

Tighten
Tighten fasteners to 10 N.m (89 lb in).

4. Install the pigtail harness clips on the module to the I/P carrier bracket.
5. Install the electrical connector to the I/P compartment lamp and install the I/P compartment.
6. Enable the SIR system. Refer to Air Bag(s) Arming and Disarming.