Operation CHARM: Car repair manuals for everyone.
Manuals through 2025 now available!

Our trusted friends have launched a new website named LEMON, which has newer manuals. It also contains all the CHARM manuals.

LEMON is the spiritual successor to CHARM, I recommend you try it!

Link: lemon-manuals.la or lemon-manuals.org.ua

(Some people have issue connecting. LEMON is investigating. For now, use Firefox or change your DNS server)

Or, hide this message: temporarily or permanently

Crankshaft Position Sensor: Service and Repair

REMOVAL PROCEDURE

IMPORTANT: The CKP System Variation Learn Procedure will need to be performed whenever the crankshaft position (CKP) sensor is removed or replaced. Refer to CKP System Variation Learn Procedure.

1. Raise the vehicle. Refer to Vehicle Lifting.




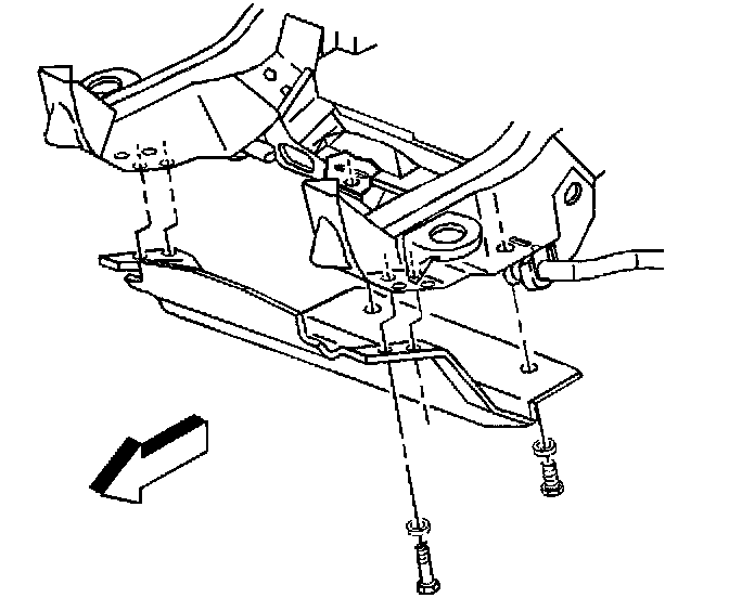
2. If the vehicle is equipped with the underbody shield package, then remove the steering linkage shield mounting bolts.




3. Remove the steering linkage shield.




4. Disconnect the CKP sensor harness connector.




5. Remove the CKP sensor mounting bolt.




6. Remove the CKP sensor.

INSTALLATION PROCEDURE

IMPORTANT: When installing the CKP sensor, make sure the sensor is fully seated before tightening the mounting bolt. A poorly seated CKP sensor may perform erratically and may set false DTC's.

1. Replace the CKP sensor O-ring.

IMPORTANT: Do not reuse the original O-ring.

2. Lubricate the O-ring with clean engine oil before installing the CKP sensor.




3. Install the CKP sensor.

IMPORTANT: Make sure the CKP sensor mounting surface is clean and free of burrs.




4. Install the CKP sensor mounting bolt.

NOTE: Refer to Fastener Notice in Service Precautions.

Tighten
Tighten the CKP sensor mounting bolt to 9 N.m (80 lb in).




5. Connect the CKP sensor harness connector.




6. Install the steering linkage shield.




7. Install the steering linkage shield mounting bolts.

Tighten
Tighten the bolts to 33 N.m (24 lb ft).

8. Lower the Vehicle.
9. Perform the CKP System Variation Learn Procedure. Programming and Relearning