Operation CHARM: Car repair manuals for everyone.
Manuals through 2025 now available!

Our trusted friends have launched a new website named LEMON, which has newer manuals. It also contains all the CHARM manuals.

LEMON is the spiritual successor to CHARM, I recommend you try it!

Link: lemon-manuals.la or lemon-manuals.org.ua

(Some people have issue connecting. LEMON is investigating. For now, use Firefox or change your DNS server)

Or, hide this message: temporarily or permanently

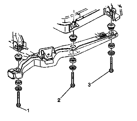
Body / Frame Mount Bushing: Service and Repair



Frame Cushion or Insulator Replacement

Tools Required

J 41602 Body Protection Hoist Adapter Set


Removal Procedure

1. Raise the vehicle at the frame. Refer to Lifting and Jacking the Vehicle in General Information.

Important: Properly support the frame and the body while changing the mount. If you are changing only one mount, the entire side on which the mount is placed must be lowered enough to provide clearance for the mount.






2. Use the J 41602 in order to support the body at the pinchweld flange.




3. Remove the bolts that retain the front bumper fascia at the brace.




4. Remove the bolts that retain the front bumper fascia at the fender.




5. Remove the bolt, the retainer, and the lower insulator of the mount:

1. Loosen the remaining bolts on that side far enough for the upper insulator to be removed.
2. Gradually lower the screw jack in order to allow the frame to come away from the body.

6. Remove the upper body insulator.



Installation Procedure

1. Install the upper body insulator:

1. Gradually raise the screw jack in order to allow the frame to meet the body.
2. Tighten the bolts of the mounts not replaced. Do not torque at this time.





2. Install the lower insulator, the retainer, and the bolt to the mount. Do not tighten.





Important: Follow the body mount tightening sequence.


3. Snug the right #2 body mount (2).
4. Snug the left #2 body mount (2).

Notice: Refer to Fastener Notice in Cautions and Notices.

5. Tighten the remaining body mounts:

* Tighten the center mount bolt to 155 N.m (114 lb ft).
* Tighten the end mount bolts to 90 N.m (66 lb ft).


6. Reinstall the bumper fascia bolts.

Tighten the bumper fascia bolts to 6 N.m (53 lb in).

7. Remove the screw jack.
8. Lower the vehicle.
9. Remove the J 41602 from the pinchweld flange.