Operation CHARM: Car repair manuals for everyone.
Manuals through 2025 now available!

Our trusted friends have launched a new website named LEMON, which has newer manuals. It also contains all the CHARM manuals.

LEMON is the spiritual successor to CHARM, I recommend you try it!

Link: lemon-manuals.la or lemon-manuals.org.ua

(Some people have issue connecting. LEMON is investigating. For now, use Firefox or change your DNS server)

Or, hide this message: temporarily or permanently

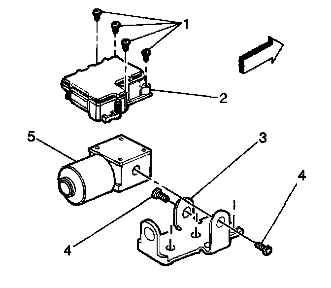
Electronic Brake Control Module: Service and Repair

Electronic Brake Control Module (EBCM) Replacement
Removal Procedure

Important: After installation, calibrate the new EBCM to the tire size that is appropriate to the vehicle.







1. Remove the fuel pipe shield (3) from the frame bracket (2) by removing the 2 nuts (4).

Important: Thoroughly wash all contaminants from around the EHCU (1). The area around the EHCU must be free from loose dirt to prevent contamination of disassembled ABS components.

2. Disconnect the electrical connectors from the EBCM.







3. Remove the mounting screws (1) that fasten the EBCM (2) to the BPMV (5).
4. Remove the EBCM (2) from the BPMV (5). Removal may require a light amount of force.

Important: Do not use a tool to pry the EBCM or the BPMV. Excessive force will damage the EBCM.

5. Clean the BPMV to EBCM mounting surfaces with a clean cloth.



Installation Procedure

Important: Do not reuse the old mounting screws (1). Always install new mounting screws with the new EBCM.

Important: Do not use RTV or any other type of sealant on the EBCM gasket or mating surfaces.







1. Install EBCM (2) on to the BPMV (5).

Notice: Refer to Fastener Notice in Service Precautions.
Fastener Notice

Fastener Notice


2. Install the new screws (1) in the EBCM (2).
Tighten the screws to 5 Nm (39 inch lbs.) in an X-pattern.







3. Connect the electrical connectors to the EBCM.
4. Secure the module (1) to the frame bracket (3) and fuel pipe shield (2) with the two nuts (4).
5. Revise the tire calibration using the Scan Tool Tire Size Calibration function.
6. Return to Diagnostic System Check - ABS.
Diagnostic System Check.