Operation CHARM: Car repair manuals for everyone.
Manuals through 2025 now available!

Our trusted friends have launched a new website named LEMON, which has newer manuals. It also contains all the CHARM manuals.

LEMON is the spiritual successor to CHARM, I recommend you try it!

Link: lemon-manuals.la or lemon-manuals.org.ua

(Some people have issue connecting. LEMON is investigating. For now, use Firefox or change your DNS server)

Or, hide this message: temporarily or permanently

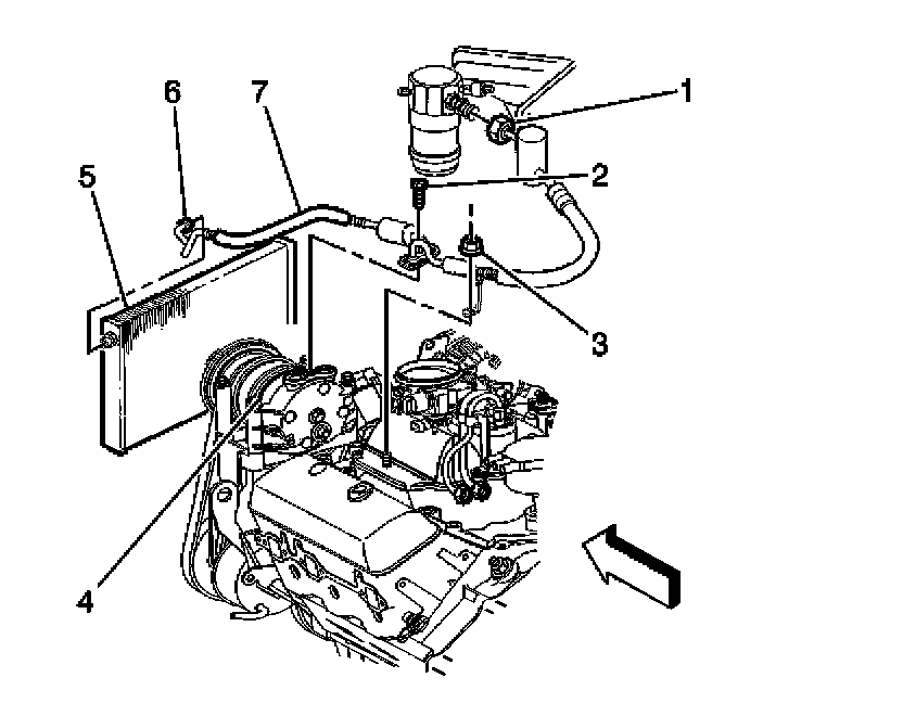
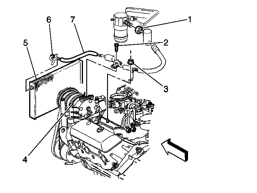
Accumulator HVAC: Service and Repair

ACCUMULATOR REPLACEMENT

TOOLS REQUIRED
J 39400-A Halogen Leak Detector

REMOVAL PROCEDURE
1. Recover the refrigerant.
2. Disconnect the low pressure switch electrical connector.
3. Remove the low pressure switch.




4. Loosen the compressor suction hose nut (1) from the accumulator.
5. Remove the compressor suction hose from the accumulator.
6. Loosen the evaporator tube nut from the accumulator.
7. Remove the evaporator tube from the accumulator.
8. Remove and discard the O-ring seals.
9. Remove the accumulator mounting bracket bolt.




10. Remove the accumulator and mounting bracket.
11. Remove the accumulator from the mounting bracket.
12. Cap or tape off all open fittings.

INSTALLATION PROCEDURE
1. Remove the caps or remove tape from the A/C fittings.
2. If replacing the accumulator, add the PAG oil to the accumulator.




3. Install the accumulator to the mounting bracket.
4. Install the accumulator and mounting bracket to the module.
5. Install the accumulator mounting bracket bolt.

NOTE: Refer to Fastener Notice in Service Precautions.

Tighten
Tighten the bolt to 4 N.m (35 lb in).

6. Install new O-ring seals.




7. Install the compressor suction hose (1) to the accumulator.
8. Tighten the compressor suction hose nut.

Tighten
Tighten the nut to 48 N.m (35 lb ft).

9. Install the evaporator tube to the accumulator.
10. Tighten the evaporator tube nut at the accumulator.

Tighten
Tighten the nut to 28 N.m (20 lb ft).

11. Install the low pressure switch.

Tighten
Tighten the switch to 6 N.m (53 lb in).

12. Connect the low pressure switch electrical connector.
13. Evacuate and charge the system.
14. Leak test the fitting(s) of the repaired or reinstalled component using the J 39400-A.