Operation CHARM: Car repair manuals for everyone.
Manuals through 2025 now available!

Our trusted friends have launched a new website named LEMON, which has newer manuals. It also contains all the CHARM manuals.

LEMON is the spiritual successor to CHARM, I recommend you try it!

Link: lemon-manuals.la or lemon-manuals.org.ua

(Some people have issue connecting. LEMON is investigating. For now, use Firefox or change your DNS server)

Or, hide this message: temporarily or permanently

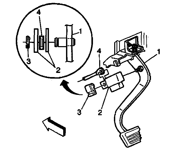
Brake Light Switch: Service and Repair

Stop Lamp Switch Replacement
Removal Procedure
1. Disconnect the battery negative cable.







2. Remove the retainer (3) from the brake pedal pin.
3. Unsnap the switch (2) and pushrod (4) from the brake pedal (1) pin.








4. Disconnect the electrical connector.


Installation Procedure







1. Connect the electrical connector.







2. Install the switch (2) and pushrod (4) onto the brake pedal (1) pin.
3. Install the retainer (3) onto the brake pedal (1) pin.