Operation CHARM: Car repair manuals for everyone.
Manuals through 2025 now available!

Our trusted friends have launched a new website named LEMON, which has newer manuals. It also contains all the CHARM manuals.

LEMON is the spiritual successor to CHARM, I recommend you try it!

Link: lemon-manuals.la or lemon-manuals.org.ua

(Some people have issue connecting. LEMON is investigating. For now, use Firefox or change your DNS server)

Or, hide this message: temporarily or permanently

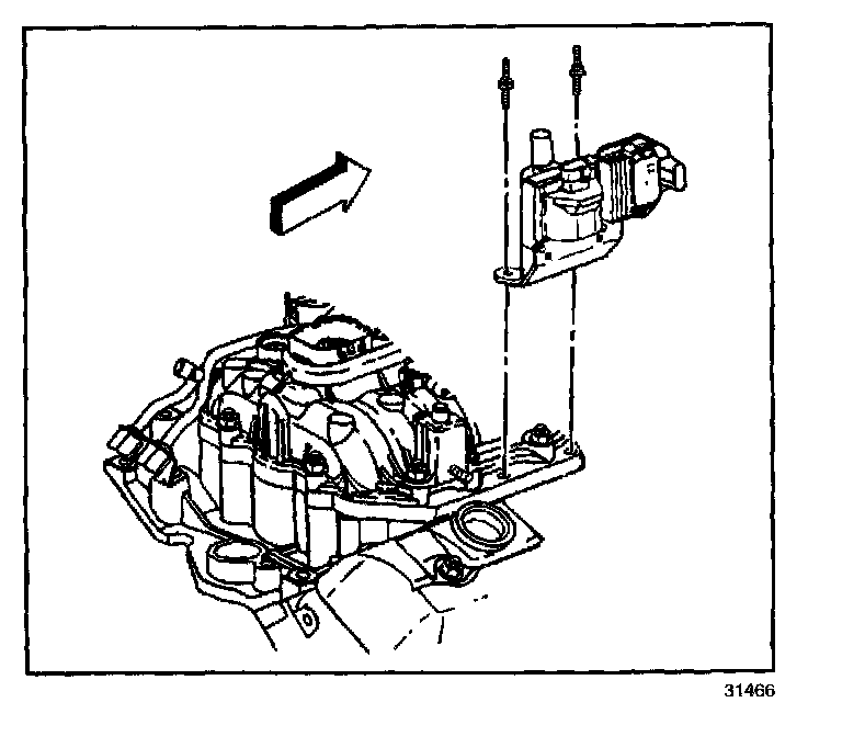
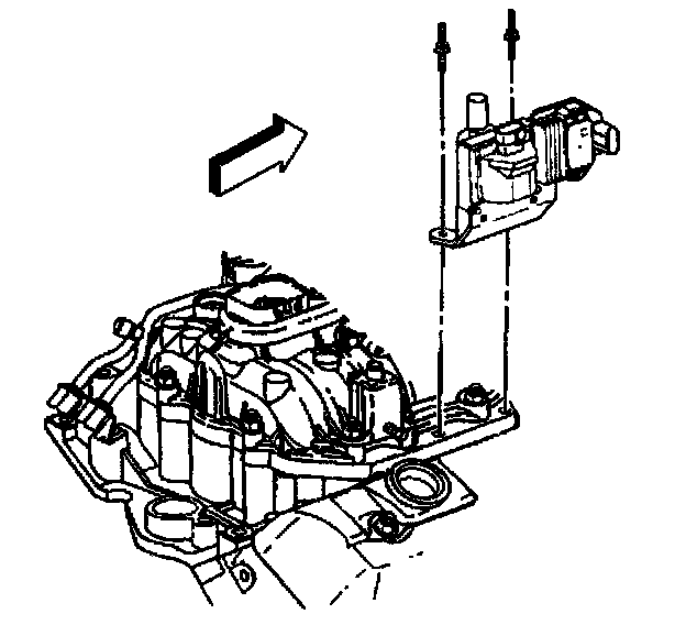
Ignition Coil: Service and Repair

REMOVAL PROCEDURE
1. Remove the engine cover.
2. Disconnect the electrical connectors.
3. Remove the ignition coil wire to the distributor.




4. Remove the studs holding the bracket and the ignition coil to the intake manifold.
5. Remove the bracket and the ignition coil.
6. Drill and punch out the two rivets holding the ignition coil to the bracket.
7. Remove the ignition coil from the bracket.

INSTALLATION PROCEDURE
1. Install the ignition coil to the bracket with the 2 screws.

IMPORTANT: A replacement ignition coil kit comes with 2 screws in order to attach the ignition coil to the bracket.




2. Install the ignition coil and the bracket to the intake manifold with studs.

NOTE: Refer to Fastener Notice in Service Precautions.

Tighten
Tighten the studs to 11 N.m (97 lb in).




3. Install the ignition coil wire. The wire must not touch anything like the dip stick. Rubbing will make a ground or short after time of use.
4. Install the electrical connectors.
5. Install the engine cover.