Operation CHARM: Car repair manuals for everyone.
Manuals through 2025 now available!

Our trusted friends have launched a new website named LEMON, which has newer manuals. It also contains all the CHARM manuals.

LEMON is the spiritual successor to CHARM, I recommend you try it!

Link: lemon-manuals.la or lemon-manuals.org.ua

(Some people have issue connecting. LEMON is investigating. For now, use Firefox or change your DNS server)

Or, hide this message: temporarily or permanently

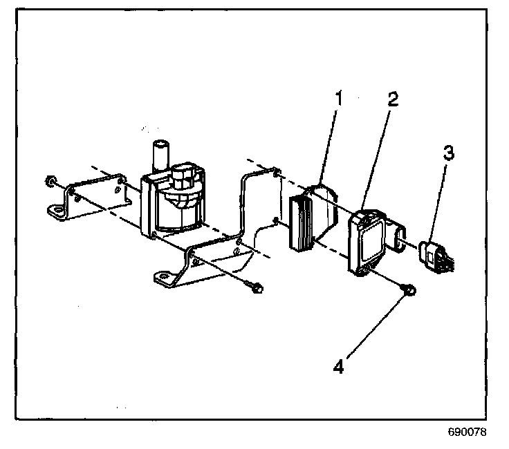
Ignition Control Module: Service and Repair

REMOVAL PROCEDURE




1. Remove the engine cover.
2. Disconnect the electrical connector (3).
3. Remove the screws (4) holding the ignition control module (2) and the heat sink (1) to the bracket.
4. Remove the ignition control module and the heat sink.

INSTALLATION PROCEDURE




1. Install the ignition control module (2) and the heat sink (1) on the bracket with the screws (4).

NOTE: Refer to Fastener Notice in Service Precautions.

Tighten
Tighten the screws to 3.5 N.m (31 lb in).

2. Reconnect the electrical connectors (3).
3. Install the engine cover.