Operation CHARM: Car repair manuals for everyone.
Manuals through 2025 now available!

Our trusted friends have launched a new website named LEMON, which has newer manuals. It also contains all the CHARM manuals.

LEMON is the spiritual successor to CHARM, I recommend you try it!

Link: lemon-manuals.la or lemon-manuals.org.ua

(Some people have issue connecting. LEMON is investigating. For now, use Firefox or change your DNS server)

Or, hide this message: temporarily or permanently

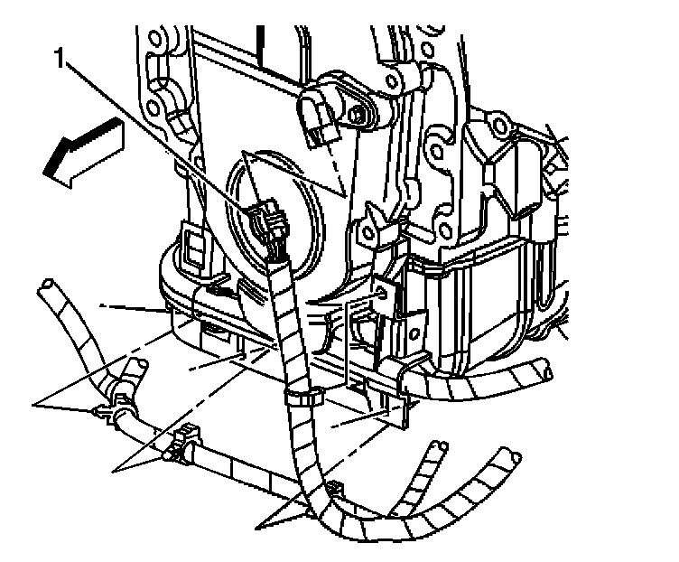
Camshaft Position Sensor: Service and Repair

REMOVAL PROCEDURE




1. Raise and suitably support the vehicle. Refer to Vehicle Lifting.
2. Remove the engine shield bolts and shield, if equipped.




3. Disconnect the camshaft position (CMP) sensor electrical connector (1).




4. Remove the CMP sensor bolt.
5. Remove the CMP sensor.
6. Inspect the CMP sensor for wear, cracks or leakage if the sensor is not being replaced.

INSTALLATION PROCEDURE

IMPORTANT: Inspect the CMP sensor O-ring for wear or damage. If a problem is found, replace the O-ring. Lubricate the new O-ring with engine oil before installing.




1. Install the CMP sensor.

NOTE: Refer to Fastener Notice in Service Precautions.

2. Install the CMP sensor bolt.

Tighten
Tighten the bolt to 12 N.m (106 lb in).




3. Connect the CMP sensor electrical connector (1).




4. Install the engine shield and bolts, if equipped.

Tighten
Tighten the bolt to 20 N.m (15 lb ft).

5. Lower the vehicle.