Operation CHARM: Car repair manuals for everyone.
Manuals through 2025 now available!

Our trusted friends have launched a new website named LEMON, which has newer manuals. It also contains all the CHARM manuals.

LEMON is the spiritual successor to CHARM, I recommend you try it!

Link: lemon-manuals.la or lemon-manuals.org.ua

(Some people have issue connecting. LEMON is investigating. For now, use Firefox or change your DNS server)

Or, hide this message: temporarily or permanently

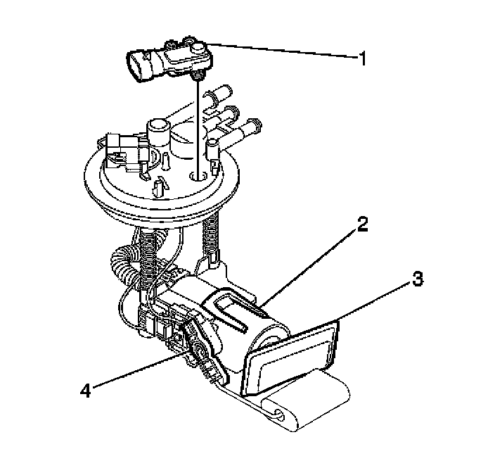
Fuel Level Sensor Replacement (2500 Series - Rear Tank)

REMOVAL PROCEDURE




1. Remove the sending unit.
2. Disconnect the fuel level sensor electrical connector.
3. Remove the fuel level sensor retaining clip.
4. Squeeze the locking tangs and remove the fuel level sensor (4).

INSTALLATION PROCEDURE




1. Install the fuel level sensor (4).
2. Connect the fuel level sensor electrical connector.
3. Install the fuel level sensor retaining clip.
4. Install the sending unit.