Manuals through 2025 now available!
Our trusted friends have launched a new website named LEMON, which has newer manuals. It also contains all the CHARM manuals.
LEMON is the spiritual successor to CHARM, I recommend you try it!
Link:
lemon-manuals.la or
lemon-manuals.org.ua
(Some people have issue connecting. LEMON is investigating. For now, use Firefox or change your DNS server)
Or, hide this message:
temporarily or
permanently
Engine Mount
Engine Mount Bracket Through Bolts
75 Nm (55 ft. lbs.)
Engine Mount-to-Engine Bolts
50 Nm (3.7 ft. lbs.)
Engine Shield Bolts
20 Nm (15 ft. lbs.)
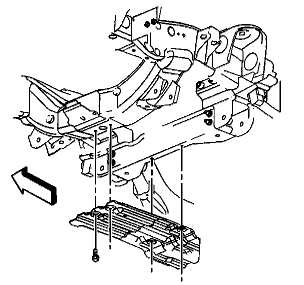
Oil Pan Skid Plate Bolts
20 Nm (1 5 ft. lbs.)
Engine Mount-to-Engine Mount Bracket Bolts
65 Nm (48 ft. lbs.)