Operation CHARM: Car repair manuals for everyone.
Manuals through 2025 now available!

Our trusted friends have launched a new website named LEMON, which has newer manuals. It also contains all the CHARM manuals.

LEMON is the spiritual successor to CHARM, I recommend you try it!

Link: lemon-manuals.la or lemon-manuals.org.ua

(Some people have issue connecting. LEMON is investigating. For now, use Firefox or change your DNS server)

Or, hide this message: temporarily or permanently

Starter Motor: Service and Repair

REMOVAL PROCEDURE




1. Disconnect the negative battery cable.
2. Raise and suitably support the vehicle. Refer to Vehicle Lifting.
3. If equipped with four wheel drive (4WD), remove the front axle mounting bracket nuts.
4. If equipped with 4WD, reposition the front axle mounting bracket bolt until the bolt tip is flush with the support bushing.

IMPORTANT: DO NOT remove the bolt.




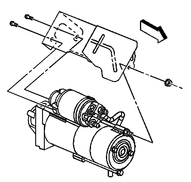
5. Remove the starter bolts.
6. Slide the starter forward until the starter clears the transmission.




7. Remove the starter lead nut.
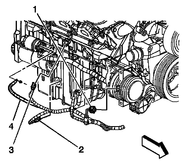
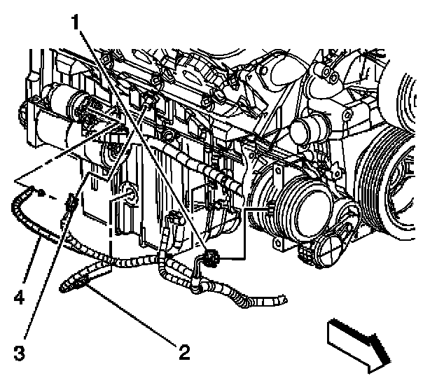
8. Remove the starter lead (4) from the starter.




9. Remove the positive cable nut.
10. Remove the positive cable from the starter.




11. If necessary, remove the starter heat shield bolts, nut, and shield.

INSTALLATION PROCEDURE




1. If necessary, install the starter heat shield, nut and bolts.

NOTE: Refer to Fastener Notice in Service Precautions.

Tighten
- Tighten the bolts to 3 N.m (35 lb in).
- Tighten the nut to 5 N.m (44 lb in).




1. Install the positive cable to the starter.
2. Install the positive cable nut.

Tighten
Tighten the nut to 9 N.m (80 lb in).




3. Install the starter lead (4) to the starter.
4. Install the starter lead nut.

Tighten
Tighten the nut to 3.4 N.m (30 lb in).




5. Position the starter into place.
6. Install the starter bolts.

Tighten
Tighten the bolts to 50 N.m (37 lb ft).




7. If equipped with 4WD, position the front axle mounting bracket bolt until the bolt is fully seated.
8. If equipped with 4WD, install the front axle mounting bracket nuts.

Tighten
Tighten the nuts to 95 N.m (70 lb ft).

9. Lower the vehicle.
10. Connect the negative battery cable.