Operation CHARM: Car repair manuals for everyone.
Manuals through 2025 now available!

Our trusted friends have launched a new website named LEMON, which has newer manuals. It also contains all the CHARM manuals.

LEMON is the spiritual successor to CHARM, I recommend you try it!

Link: lemon-manuals.la or lemon-manuals.org.ua

(Some people have issue connecting. LEMON is investigating. For now, use Firefox or change your DNS server)

Or, hide this message: temporarily or permanently

Splash Guard: Service and Repair



Splash Shield Replacement - Engine

Tools Required

J 38778Door Trim Pad and Garnish Clip Remover

Removal Procedure

1. Raise and suitably support the vehicle. Refer to Vehicle Lifting.
2. Remove the tires and wheels.




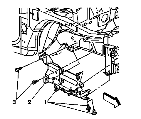
3. Use J 38778 to remove the push-in retainer (3) holding the left engine splash shield to the lower flange of the engine compartment side rail.
4. Remove the screws (2) from the left engine splash shield.
5. Disconnect the clips holding the electrical harness.
6. Remove the left splash shield.




7. Use J 38778 to remove the push-in retainers (1) holding the right engine splash shield to the lower flange of the engine compartment side rail.
8. Remove the right fenderliner as required.
9. Remove the screws (3) from the right engine splash shield.
10. Disconnect the clips to the electrical harness.
11. Remove the right engine splash shield from the lower flange of the engine compartment side rail.

Installation Procedure




1. Position the right engine splash shield to the lower flange of the engine compartment side rail.
2. Align the holes in the engine splash shield to the holes in the outboard side engine compartment side rail.
3. Install the push-in retainers (1) to the right engine splash shield.
4. Connect the clips to the electrical harness.

Notice: Refer to Fastener Notice in Service Precautions.

5. Install the screws (3) to the right engine splash shield (2).

Tighten the engine splash shield screws to 2 N.m (18 lb in).




6. Install the push-in retainers to the left engine splash shield.
7. Connect the clips to the electrical harness.
8. Install the screws (2) to the left engine splash shield (1).

Tighten the engine splash shield screws to 2 N.m (18 lb in).

9. Install the right fenderliner.
10. Install the tires and wheels.
11. Lower the vehicle.