Operation CHARM: Car repair manuals for everyone.
Manuals through 2025 now available!

Our trusted friends have launched a new website named LEMON, which has newer manuals. It also contains all the CHARM manuals.

LEMON is the spiritual successor to CHARM, I recommend you try it!

Link: lemon-manuals.la or lemon-manuals.org.ua

(Some people have issue connecting. LEMON is investigating. For now, use Firefox or change your DNS server)

Or, hide this message: temporarily or permanently

Without FFS

SYSTEM OVERVIEW

System Overview:




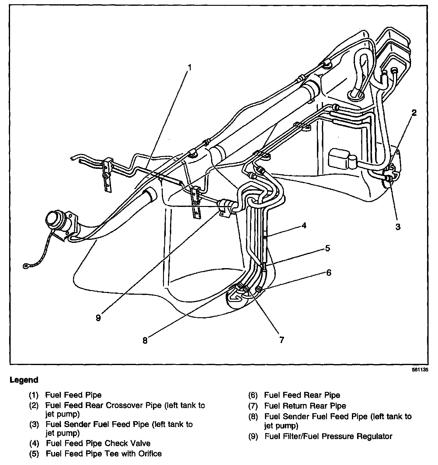
Two fuel tanks store the fuel supply. An electric fuel pump attaches to the fuel sender assembly inside the left fuel tank. The fuel pump supplies fuel through the fuel feed pipe (6) and an in-line fuel filter (9) to the fuel rail. The fuel feed rear pipe (6) has an integral check valve (4) in order to maintain the fuel system pressure in the feed pipe. The pump provides the fuel at a pressure greater than what is needed by the fuel injectors. The fuel pressure regulator, part of the fuel filter (9), keeps the fuel available to the injectors at a regulated pressure. A fuel return pipe (7) returns the unused fuel to the left fuel tank. The fuel pump also feeds the fuel through a tee (5) with an orifice in the fuel feed rear pipe (6) and through the auxiliary fuel feed rear pipe (2) in order to supply the siphon jet pump inside the right fuel tank. The siphon jet pump transfers the fuel from the right fuel tank to the left fuel tank through the auxiliary fuel return rear pipe (3, 8).

FUEL TANKS




The fuel tanks store the fuel for the vehicle. The fuel tanks are located on the left and right side of the vehicle in front of the rear wheels. The fuel tanks are molded from high density polyethylene.

FUEL TANK FILL PIPE AND HOSE
The fuel tank fill pipe is positioned at the rear of the vehicle on the left side. A built in restrictor in the fuel tank fill pipe prevents refueling with leaded fuel. The fuel tank fill pipe connects to the left fuel tank with a rubber hose. Fuel transfers to the right fuel tank during fueling by a large rubber crossover hose which connects the left fuel tank to the right fuel tank.

FUEL FILLER CAP

NOTE: If a fuel tank filler cap requires replacement, use only a fuel tank filler cap with the same features. Failure to use the correct fuel tank filler cap can result in a serious malfunction of the fuel and EVAP system.

Fuel Filler Cap:




The fuel tank filler pipe has a tethered fuel tank filler cap. The fuel tank filler cap requires a quarter of a turn in order to be removed. A torque limiting device prevents the cap from being over tightened.

FUEL SENDER ASSEMBLY




A fuel sender assembly is located inside each fuel tank. The fuel sender assembly attaches to the lower side of each fuel tank. The left fuel sender assembly consists of the following major components:
- The fuel level sensor
- The fuel pump and reservoir assembly
- The fuel pump strainer




The right fuel sender assembly consists of the following major components:
- The fuel level sensor
- The siphon jet pump

FUEL LEVEL SENSOR
The fuel level sensor consists of a float, a wire float arm, and a variable resistor. The position of the float arm indicates the fuel level. The fuel level sensor contains a variable resistor, which changes the resistance corresponding to the amount of fuel in the fuel tanks. The PCM uses inputs from both fuel level sensors in order to calculate the total fuel remaining in both fuel tanks. This information is sent via a class 2 message to the instrument panel cluster (IPC) to be displayed on the fuel gage.

FUEL PUMP
An electric high pressure fuel pump attaches to the fuel sender assembly inside the left fuel tank. The fuel pump supplies fuel to the fuel rail assembly at a specified flow and pressure. Excess fuel from the fuel pressure regulator, a part of the fuel filter, returns to the left fuel tank through the return pipe. The fuel pump delivers a constant flow of fuel to the engine even during low fuel conditions and aggressive vehicle maneuvers. The PCM controls the electric fuel pump operation through a fuel pump relay.

The left tank fuel pump also supplies a small amount of pressurized fuel to the right fuel tank siphon jet pump through the auxiliary fuel feed rear pipe. The pressurized fuel creates a venturi action inside the siphon jet pump. The venturi action causes the fuel to be drawn out of the right fuel tank. Fuel is then transferred from the right fuel tank to the left fuel tank through the auxiliary fuel return rear pipe.

FUEL STRAINER
The fuel strainer is made of woven plastic. The functions of the fuel strainer are to filter the contaminants and to wick the fuel. The fuel strainer attaches to the bottom of the fuel pump. The fuel strainer normally requires no maintenance. Fuel stoppage at this point indicates that the fuel tanks contain an abnormal amount of sediment or water. If the fuel strainer is plugged, refer to Fuel System Cleaning.

FUEL FILTER/FUEL PRESSURE REGULATOR
The fuel filter/fuel pressure regulator is installed in the fuel feed pipe ahead of the fuel injection system. The paper filter element of the fuel filter traps particles in the fuel that may damage the fuel injection system. The fuel filter/fuel pressure regulator housing is made to withstand maximum fuel system pressure, exposure to fuel additives, and changes in temperature. There is no service interval for fuel filter replacement. Replace a restricted fuel filter.

The fuel pressure regulator is a diaphragm relief valve. The diaphragm has fuel pressure on one side and regulator spring pressure on the other side. A software bias compensates the injector on-time because the fuel pressure regulator is not referenced to the manifold vacuum. The fuel pressure regulator keeps fuel available to the injectors at a regulated pressure.

FUEL FEED AND RETURN PIPES
The fuel feed pipe carries the fuel from the left fuel tank to the fuel rail assembly and to the right fuel tank siphon jet pump. The fuel return pipe carries the fuel from the fuel filter/fuel pressure regulator assembly back to the left fuel tank. The fuel feed and return pipes consist of 3 sections:
- The rear fuel pipes are located from the left fuel sender assembly to the fuel filter/pressure regulator assembly and from the left fuel sender assembly to the right fuel sender assembly. The rear fuel pipes connecting the fuel sender assemblies are constructed of sections of steel pipe and nylon pipe. The rear fuel pipes connecting the left fuel sender assembly to the fuel filter/pressure regulator assembly are constructed of nylon. The rear fuel feed pipe has an integral check valve in order to maintain the fuel system pressure in the feed pipe.
- The chassis fuel pipe is located under the vehicle on the left side of the tunnel. The chassis fuel pipe connects the rear fuel feed pipe from the left fuel sender assembly to the engine compartment connecting fuel pipe. This pipe is constructed of aluminum with a plastic coating.
- The engine compartment connecting fuel pipe connects the chassis fuel pipe to the fuel rail assembly. This pipe is constructed of Teflon(r) with a braided stainless steel covering.

NYLON FUEL PIPES

CAUTION: In order to reduce the risk of fire and personal injury observe the following items:
- Replace all nylon fuel pipes that are nicked, scratched or damaged during installation, do not attempt to repair the sections of the nylon fuel pipes
- Do not hammer directly on the fuel harness body clips when installing new fuel pipes. Damage to the nylon pipes may result in a fuel leak.
- Always cover nylon vapor pipes with a wet towel before using a torch near them. Also, never expose the vehicle to temperatures higher than 115°C (239°F) for more than one hour, or more than 90°C (194°F) for any extended period.
- Apply a few drops of clean engine oil to the male pipe ends before connecting fuel pipe fittings. This will ensure proper reconnection and prevent a possible fuel leak. (During normal operation, the O-rings located in the female connector will swell and may prevent proper reconnection if not lubricated.)


Nylon pipes are constructed to withstand maximum fuel system pressure, exposure to fuel additives, and changes in temperature. There are 2 sizes of nylon fuel pipes used. A 9.53 mm (3/8 in) ID pipe is used for the fuel feed pipe and the auxiliary fuel feed pipe (jet pump to left tank). A 7.94 mm (5/16 in) ID pipe is used for the fuel return pipe and the auxiliary fuel return pipe (left tank to jet pump). Heat resistant rubber hose and/or corrugated plastic conduit protect the sections of the pipes that are exposed to chafing, high temperature or vibration.

Nylon fuel pipes are somewhat flexible and can be formed around gradual turns under the vehicle. However, if nylon fuel pipes are forced into sharp bends, the pipes will kink and restrict the fuel flow. Also, once exposed to the fuel, nylon pipes may become stiffer and are more likely to kink if bent too far. Take special care when working on a vehicle with nylon fuel pipes.

QUICK-CONNECT FITTINGS
Quick-connect fittings provide a simplified means of installing and connecting fuel system components. The fittings consist of a unique female connector and a compatible male pipe end. O-rings located inside the female connector provide the fuel seal. Integral locking tabs located inside the female connector hold the fittings together.

ON-BOARD REFUELING VAPOR RECOVERY SYSTEM (ORVR)




The on-board refueling vapor recovery system (ORVR) is an on board vehicle system designed to recover fuel vapors during the vehicle refueling operation. The flow of liquid fuel down the fuel filler pipe provides a liquid seal which prevents vapor from leaving the fuel filler pipe. An EVAP pipe transports the fuel vapor to the EVAP canister for use by the engine. Listed below are the ORVR system components with a brief description of their operation:
- The EVAP canister (1)-the EVAP canister receives refueling vapor from the fuel system, stores the vapor and releases the vapor to the engine upon demand.
- The EVAP pipes (2)-transports fuel vapor from the fuel tank to the EVAP canister.
- The fuel filler pipe (3)-the pipe which carries fuel from the fuel nozzle to the fuel tank.
- The check valve (4)-the check valve limits fuel "spit back" from the fuel tank during the refueling operation by allowing fuel flow only into the fuel tank. This check valve is located at the bottom of the fuel filler pipe.
- The modular fuel sender assembly (5)-this assembly pumps fuel to the engine from the fuel tank.
- The fill limiter vent valve (FLVV) (6)-this valve acts as a shut off valve. The FLVV is located on the top of the right fuel tank. This valve is not serviced separately. The FLVV has the following functions:
- Controls the fuel tank fill level by closing the primary vent from the fuel tank.
- Prevents the fuel from exiting the fuel tank via the EVAP pipe to the canister.
- Provides fuel-spillage protection in the event of a vehicle rollover by closing the vapor path from the fuel tank to the EVAP canister.

FUEL RAIL ASSEMBLY




The fuel rail assembly attaches to the engine intake manifold. The fuel rail assembly performs the following functions:
- Positions the injectors (1) in the intake manifold
- Distributes the fuel evenly to the injectors
- Integrates the fuel pulse dampener (2) into the fuel metering system

FUEL INJECTORS
The fuel injector assembly is a solenoid device, controlled by the PCM, that meters pressurized fuel to a single engine cylinder. The PCM energizes the injector solenoid to open a normally closed ball valve. This allows the fuel to flow into the top of the injector, past the ball valve, and through a director plate at the injector outlet. The director plate has machined holes that control the fuel flow, generating a spray of finely-atomized fuel at the injector tip. Fuel from the injector tip is directed at the intake valve, causing the fuel to become further atomized and vaporized before entering the combustion chamber. This fine atomization improves fuel economy and emissions.

FUEL METERING MODES OF OPERATION
The PCM monitors voltages from several sensors in order to determine how much fuel to give the engine. The PCM controls the amount of fuel delivered to the engine by changing the fuel injector pulse width. The fuel is delivered under one of several modes.

Starting Mode
When the ignition is first turned ON, the PCM energizes the fuel pump relay for 2 seconds. This allows the fuel pump to build pressure in the fuel system. The PCM calculates the air/fuel ratio based on inputs from the engine coolant temperature (ECT), mass air flow (MAF, manifold absolute pressure (MAP), and throttle position (TP) sensors. The system stays in starting mode until the engine speed reaches a predetermined RPM.

Clear Flood Mode
If the engine floods, clear the engine by pressing the accelerator pedal down to the floor and then crank the engine. When the TP sensor is at wide open throttle (WOT), the PCM reduces the fuel injector pulse width in order to increase the air to fuel ratio. The PCM holds this injector rate as long as the throttle stays wide open and the engine speed is below a predetermined RPM. If the throttle is not held wide open, the PCM returns to the starting mode.

Run Mode
The run mode has 2 conditions called Open Loop and Closed Loop. When the engine is first started and the engine speed is above a predetermined RPM, the system begins Open Loop operation. The PCM ignores the signal from the heated oxygen sensors (HO2S). The PCM calculates the air/fuel ratio based on inputs from the ECT, MAF, MAP, and TP sensors. The system stays in Open Loop until meeting the following conditions:
- Both front HO2S have varying voltage output, showing that both HO2S are hot enough to operate properly.
- The ECT sensor is above a specified temperature.
- A specific amount of time has elapsed after starting the engine.

Specific values for the above conditions exist for each different engine, and are stored in the electrically erasable programmable read only memory (EEPROM). The system begins Closed Loop operation after reaching these values. In Closed Loop, the PCM calculates the air/fuel ratio, injector on-time, based upon the signal from various sensors, but mainly from the HO2S. This allows the air/fuel ratio to stay very close to 14.7:1.

Acceleration Mode
When the driver pushes on the accelerator pedal, the air flow into the cylinders increases rapidly. To prevent possible hesitation, the PCM increases the pulse width to the injectors to provide extra fuel during acceleration. This is also known as power enrichment. The PCM determines the amount of fuel required based upon the TP, the ECT, the MAP, the MAF, and the engine speed.

Deceleration Mode
When the driver releases the accelerator pedal, the air flow into the engine is reduced. The PCM monitors the corresponding changes in the TP, the MAP, and the MAF. The PCM shuts OFF fuel completely if the deceleration is very rapid, or for long periods, such as long, closed-throttle coast-down. The fuel shuts OFF in order to prevent damage to the catalytic converters.

Battery Voltage Correction Mode
When the battery voltage is low, the PCM compensates for the weak spark delivered by the ignition system in the following ways:
- Increasing the amount of fuel delivered
- Increasing the idle RPM
- Increasing the ignition dwell time

Fuel Cutoff Mode
The PCM cuts OFF fuel from the fuel injectors when the following conditions are met in order to protect the powertrain from damage and improve driveability:
- The ignition is OFF. This prevents engine run-on.
- The ignition is ON but there is no ignition reference signal. This prevents flooding or backfiring.
- The engine speed is too high, above red line.
- The vehicle speed is too high, above rated tire speed.
- During an extended, high speed, closed throttle coast down. This reduces emissions and increases engine braking.
- During an extended deceleration, in order to prevent damage to the catalytic converters.

FUEL TRIM
The PCM controls the air/fuel metering system in order to provide the best possible combination of driveability, fuel economy, and emission control. The PCM monitors the HO2S signal voltage while in Closed Loop and regulates the fuel delivery by adjusting the pulse width of the fuel injectors based on this signal. The ideal fuel trim values are around 0 percent for both short term and long term fuel trim. A positive fuel trim value indicates the PCM is adding fuel in order to compensate for a lean condition by increasing the pulse width. A negative fuel trim value indicates that the PCM is reducing the amount of fuel in order to compensate for a rich condition by decreasing the pulse width. A change made to the fuel delivery changes the long term and short term fuel trim values. The short term fuel trim values change rapidly in response to the HO2S signal voltage. These changes fine tune the engine fueling. The long term fuel trim makes coarse adjustments to fueling in order to re-center and restore control to short term fuel trim. A scan tool can be used to monitor the short term and long term fuel trim values. The long term fuel trim diagnostic is based on an average of several of the long term speed load learn cells. The PCM selects the cells based on the engine speed and engine load. If the PCM detects an excessively lean or rich condition, the PCM will set a fuel trim DTC.