Operation CHARM: Car repair manuals for everyone.
Manuals through 2025 now available!

Our trusted friends have launched a new website named LEMON, which has newer manuals. It also contains all the CHARM manuals.

LEMON is the spiritual successor to CHARM, I recommend you try it!

Link: lemon-manuals.la or lemon-manuals.org.ua

(Some people have issue connecting. LEMON is investigating. For now, use Firefox or change your DNS server)

Or, hide this message: temporarily or permanently

Transmission Position Sensor/Switch: Service and Repair

Park/Neutral Position Switch Replacement

Tools Required
^ J41364-A Park/Neutral Position Switch Aligner

Removal Procedure
1. Raise and suitably support the vehicle. Refer to Vehicle Lifting.
2. Remove the intermediate exhaust pipe and allow the LH muffler assembly to hang down out of the way.
3. Shift the transmission into NEUTRAL.





4. Remove the nuts retaining the transmission shift control cable bracket to the transmission.

Important: Use care to not suddenly jerk the shift control cable during disassembly, the shift control cable rod end guide tubes are EXTREMELY INFLEXIBLE and capable of only a SLIGHT bend.





5. CAREFULLY release the shift control cable end clip from the transmission shift lever stud.
6. Reposition the transmission shift cable and bracket.





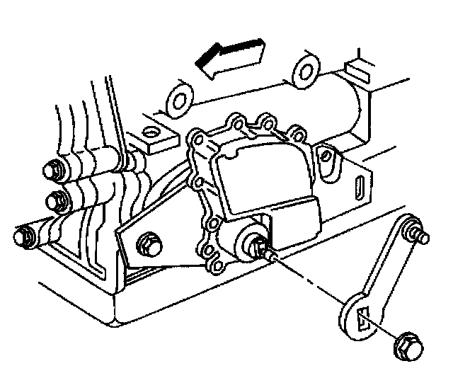
7. Disconnect the park/neutral position switch electrical connectors.





8. Using a wrench on the transmission manual shaft wrench flats (in order to keep the shaft from turning), remove the range selector (shift) lever retaining nut.
9. Remove the range selector (shift) lever.
10. Check that the transmission is still in NEUTRAL.





11. Remove the park/neutral position switch mounting bolts.
12. Slide the switch off of the manual shaft.

Installation Procedure





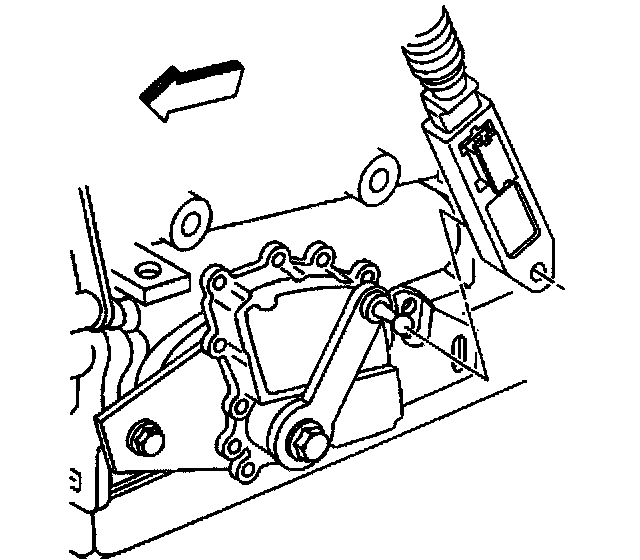
1. Install the J41364-A to the park/neutral position switch.
1.1. Align the two lower slots on the switch (2) with the two lower tabs on the J41364-A.
1.2. Rotate the tool until the upper pin on the tool is lined up with the slot on the top of the switch (1).
2. Check that the transmission is still in NEUTRAL.

Important: Do not remove the J41364-A from the park/neutral position switch until instructed.





3. Install the park/neutral position switch to the transmission manual shaft.
3.1. Align the flats in the switch hub with the flats on the manual shaft.
3.2. Slide the switch onto the transmission manual shaft until the switch mounting bracket contacts the mounting bosses on the transmission case.

Notice: Refer to Fastener Notice in Service Precautions.

4. Install the park/neutral position switch mounting bolts.
Tighten the park/neutral position switch mounting bolts to 27 Nm (20 ft. lbs.).. Remove the J41364-A from the switch.





6. Install the transmission range selector (shift) lever onto the transmission manual shaft.
Be sure to install the shift lever in an upright orientation.
7. Using a wrench on the transmission manual shaft wrench flats (in order to keep the shaft from turning), install the range selector (shift) lever retaining nut.
Tighten the transmission range selector lever nut to 20 Nm (15 ft. lbs.).





8. Connect the park/neutral position switch electrical connectors.





9. Install the transmission shift control cable and bracket into position.
10. Align the shift control cable end to the transmission shift lever stud.

Important: Use care to not suddenly jerk the shift control cable during assembly, the shift control cable rod end guide tubes are EXTREMELY INFLEXIBLE and capable of only a SLIGHT bend.

11. CAREFULLY secure the shift control cable end clip to the transmission shift lever stud.





12. Install the nuts retaining the transmission shift control cable bracket to the transmission.
Tighten the transmission shift control cable bracket retaining nuts to 20 Nm (15 ft. lbs.).
13. Install the intermediate exhaust pipe.
14. Shift the transmission into PARK.
15. Lower the vehicle.