Knock Sensor: Service and Repair
REMOVAL PROCEDURE1. Remove the intake manifold.
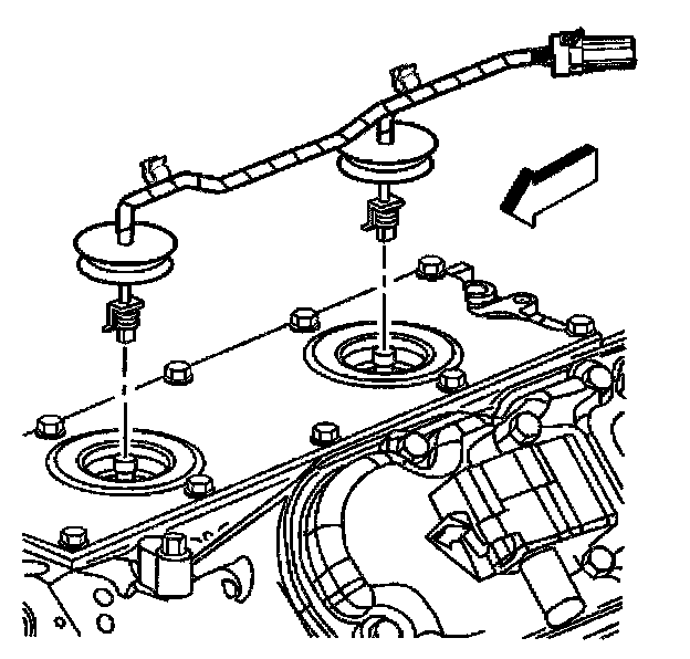
2. Remove the knock sensor wiring harness assembly.
3. Remove the knock sensor.
INSTALLATION PROCEDURE
1. Install the knock sensor.
NOTE: Refer to Fastener Notice in Service Precautions.
Tighten
Tighten the knock sensor to 20 N.m (15 lb ft).
2. Install the knock sensor wiring harness assembly.
3. Install the intake manifold.
4. Connect the negative battery cable.
5. Program the transmitters. Refer to Transmitter Programming in Keyless Entry.