Operation CHARM: Car repair manuals for everyone.
Manuals through 2025 now available!

Our trusted friends have launched a new website named LEMON, which has newer manuals. It also contains all the CHARM manuals.

LEMON is the spiritual successor to CHARM, I recommend you try it!

Link: lemon-manuals.la or lemon-manuals.org.ua

(Some people have issue connecting. LEMON is investigating. For now, use Firefox or change your DNS server)

Or, hide this message: temporarily or permanently

Battery Positive Cable Replacement

REMOVAL PROCEDURE




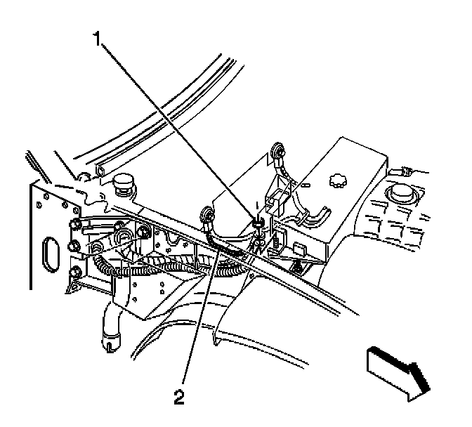
1. Remove the battery tray.
2. Open the stud cover on the fuse/relay center.
3. Remove the positive battery cable nut from the fuse/relay center stud.
4. Remove the positive battery cable lead (2) from the fuse/relay center stud.




5. Remove the heat shield retainer at the upper plenum.




6. Remove the battery heat shield retainer and the battery heat shield.
7. Remove the right rear spark plug wire.




8. Remove the battery cable clips.




9. Remove the battery cables (1) from the engine wiring harness insulator.
10. Raise and suitably support the vehicle. Refer to Vehicle Lifting.




11. Remove the positive battery cable terminal nut and terminals (3, 4) from the starter solenoid.
12. Lower the vehicle.
13. Remove the positive battery cable.

INSTALLATION PROCEDURE




1. Install the positive battery cable.
2. Raise the vehicle.

NOTE: Refer to Fastener Notice in Service Precautions.

IMPORTANT: Ensure that the engine harness leads (3, 4) are positioned on the solenoid prior to the positive cable terminal being installed.

3. Install the positive battery cable terminals (3, 4) and nut to the starter solenoid.

Tighten
Tighten the positive battery cable nut to 8 N.m (71 lb in).




4. Install the battery cables (1) to the engine wiring harness insulator.




5. Install the battery cable clips.
6. Install the right rear spark plug wire.




7. Install the battery heat shield.

IMPORTANT: Ensure that two fingers of the heat shield bracket are on either side of the heat shield, and the shield is inserted into the notch in the insulator.

8. Install the heat shield retainer at the wheelhouse panel.




9. Install the heat shield retainer at the upper plenum.




10. Install the positive battery cable lead (2) to the fuse/relay center stud.
11. Install the positive battery cable nut to the fuse/relay center stud.

Tighten
Tighten the positive battery cable nut to 10 N.m (89 lb in).

12. Close the stud cover on the fuse/relay center.
13. Install the battery tray.