Operation CHARM: Car repair manuals for everyone.
Manuals through 2025 now available!

Our trusted friends have launched a new website named LEMON, which has newer manuals. It also contains all the CHARM manuals.

LEMON is the spiritual successor to CHARM, I recommend you try it!

Link: lemon-manuals.la or lemon-manuals.org.ua

(Some people have issue connecting. LEMON is investigating. For now, use Firefox or change your DNS server)

Or, hide this message: temporarily or permanently

Shift Control Assembly Replacement

Shift Control Assembly Replacement

Removal Procedure
1. Remove the console.





2. Carefully pry off the shift control knob button.
3. Pry the shift control knob retainer out of the slots and remove the retainer.





4. Unscrew the shift control knob.





5. Grasp the sides of the shift control boot and apply light pressure in toward the shift control lever to begin to release the shift boot retaining tabs from the IP accessory trim plate.
6. Using light pressure, continue to release the remaining boot retaining tabs.





7. Lift the boot away from the trim plate and remove the boot.
8. Remove the IP accessory trim plate.





9. Remove the shift control closeout boot retaining nuts.
10. Remove the shift control closeout boot.





11. Place the shifter into NEUTRAL.
12. Press down to engage the shift control neutral lock pin.





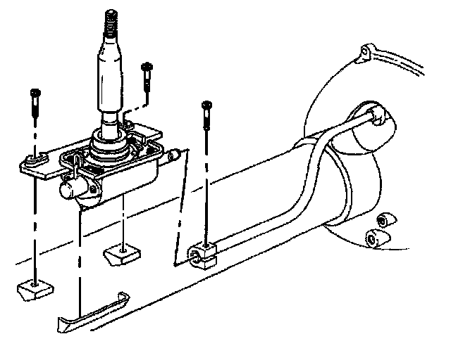
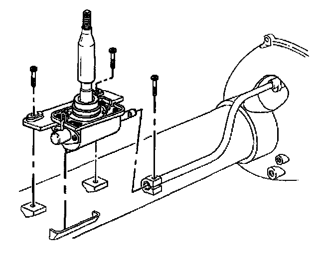
13. Remove the transmission shift rod clamp bolt.
14. Remove the shift control mounting bolts.
15. Raise the shift control to release the locator from the shifter bracket on the side of the driveline support assembly.
16. Release the shift control from the transmission shift rod clamp and remove the shift control assembly.

Installation Procedure





1. Install the shift control assembly to the transmission shift rod clamp.
2. Lower the shiner into position and insert the locator into the shifter bracket on the side of the driveline support assembly.

Notice: Refer to Fastener Notice in Service Precautions.

3. Install the shift control mounting bolts.
Tighten the shift control mounting bolts to 30 Nm (22 ft. lbs.).
4. Install the transmission shift rod clamp bolt.
Tighten the transmission shift rod clamp bolt to 30 Nm (22 ft. lbs.).





5. Lift to release the shift control neutral lock pin.





6. Install the shift control closeout boot. Check that the closeout boot fully seats to the shift control lever seal and the base of the shift control assembly (1).
7. Install the shift control closeout boot retaining nuts.
Tighten the shift control closeout boot retaining nuts to 12 Nm (106 inch lbs.).





8. install the IP accessory trim plate.
9. Install the shift control boot over the shift control lever.





10. Align the shift control boot to the IP accessory trim plate opening, then press to lock the boot retaining tabs.
11. Adjust the shape of the boot for appearance, if necessary.





12. Screw the shift control knob onto the shift control lever until the knob bottoms out.





13. Unscrew the shift control knob just enough to align the retainer slot with the slot on the shift control lever.
14. Install the shift control knob retainer (1) into the slots and seat fully.
15. Install the shift control knob button.
16. Install the console.