Operation CHARM: Car repair manuals for everyone.
Manuals through 2025 now available!

Our trusted friends have launched a new website named LEMON, which has newer manuals. It also contains all the CHARM manuals.

LEMON is the spiritual successor to CHARM, I recommend you try it!

Link: lemon-manuals.la or lemon-manuals.org.ua

(Some people have issue connecting. LEMON is investigating. For now, use Firefox or change your DNS server)

Or, hide this message: temporarily or permanently

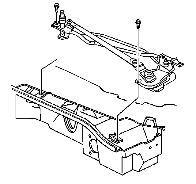
Wiper Gear Box: Service and Repair

WIPER TRANSMISSION REPLACEMENT

TOOLS REQUIRED
- J 39232 Wiper Linkage Separator
- J 39529 Wiper Linkage Installer

REMOVAL PROCEDURE
1. Remove the air inlet grille panel.
2. Remove the wiper drive system module.




3. Using the J 39232 , disconnect the wiper transmission from the wiper motor crank arm.




4. Remove the wiper transmission screws.
5. Remove the wiper transmission from the wiper motor module assembly.

INSTALLATION PROCEDURE




1. Position the wiper transmission to the wiper motor module assembly.
2. Install the wiper transmission screws.

NOTE: Refer to Fastener Notice in Service Precautions.

Tighten
Tighten the screws to 10 N.m (89 lb in).




3. Using the J 39529 , connect the wiper transmission to the wiper motor crank arm.
4. Install the wiper drive system module.
5. Install the air inlet grille panel.
6. Install the wiper arms.