Operation CHARM
: Car repair manuals for everyone.
Home
>>
Chevrolet
>>
2003
>>
Express 1/2 Ton Van AWD V8-5.3L VIN T
>>
Repair and Diagnosis
>>
Powertrain Management
>>
Computers and Control Systems
>>
Fuel Tank Pressure Sensor
>>
Service and Repair
>>
Fuel Tank Pressure Sensor Replacement (Dual Tank)
Manuals through 2025 now available!
Our trusted friends have launched a new website named LEMON, which has newer manuals. It also contains all the CHARM manuals.
LEMON is the spiritual successor to CHARM, I recommend you try it!
Link:
lemon-manuals.la
or
lemon-manuals.org.ua
(Some people have issue connecting. LEMON is investigating. For now, use Firefox or change your DNS server)
Or, hide this message:
temporarily
or
permanently
Fuel Tank Pressure Sensor Replacement (Dual Tank)
REMOVAL PROCEDURE
1.
Remove the fuel tank.
2.
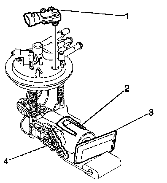
Remove the
fuel pressure sensor
(1).
INSTALLATION PROCEDURE
1.
Install the
fuel pressure sensor
(1).
2.
Install the fuel tank.