EGR Valve: Service and Repair
REMOVAL PROCEDUREIMPORTANT:
- Do not try to disassemble the linear EGR valve. Service the EGR valve only as a complete assembly.
- Carefully note the position of the linear EGR valve before removal. Do not rotate the linear EGR valve 180 degrees.
1. Disconnect the negative battery cable.
CAUTION: Refer to Battery Disconnect Caution in Service Precautions.
2. Remove the air cleaner assembly.
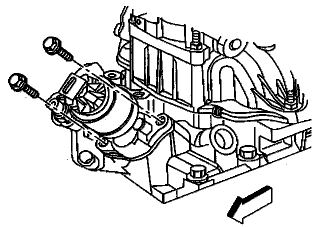
3. Remove the linear EGR harness connector.
4. Remove the bolts attaching the linear EGR valve to the flange.
5. Remove the linear EGR valve.
NOTE: The Linear EGR valve is an electrical component. DO NOT soak in any liquid cleaner or solvent because damage may result.
6. Remove the flange gasket.
7. Clean the EGR valve gasket surface.
INSTALLATION PROCEDURE
1. Install the new flange gasket
2. Install the linear EGR valve.
3. Install the bolts retaining the linear EGR valve to the flange.
NOTE: Refer to Fastener Notice in Service Precautions.
Tighten
1. Tighten the bolts the first pass to 10 N.m (89 lb in).
2. Tighten the bolts the second pass to 25 N.m (18 lb ft).
3. Install the EGR valve harness connector.
4. Install the air cleaner assembly.
5. Connect the negative battery cable.