Operation CHARM: Car repair manuals for everyone.
Manuals through 2025 now available!

Our trusted friends have launched a new website named LEMON, which has newer manuals. It also contains all the CHARM manuals.

LEMON is the spiritual successor to CHARM, I recommend you try it!

Link: lemon-manuals.la or lemon-manuals.org.ua

(Some people have issue connecting. LEMON is investigating. For now, use Firefox or change your DNS server)

Or, hide this message: temporarily or permanently

Housing Assembly HVAC: Service and Repair



AIR CONDITIONING AND HEATER MODULE ASSEMBLY REMOVAL AND REPLACEMENT

TOOLS REQUIRED
- J 39400-A Halogen Leak Detector
- J 38185 Hose Clamp Pliers

REMOVAL PROCEDURE
1. Disconnect the battery negative cable. Service and Repair

CAUTION: Unless directed otherwise, the ignition and start switch must be in the OFF or LOCK position, and all electrical loads must be OFF before servicing any electrical component. Disconnect the negative battery cable to prevent an electrical spark should a tool or equipment come in contact with an exposed electrical terminal. Failure to follow these precautions may result in personal injury and/or damage to the vehicle or its components. For Vehicles equipped with OnStar (RPO UE1) with Back Up Battery: The Back Up Battery is a redundant power supply to allow limited OnStar functionality in the event of a main vehicle battery power disruption to the VCIM (OnStar module). Do not disconnect the main vehicle battery or remove the OnStar fuse with the ignition key in any position other than OFF. Retained accessory power (RAP) should be allowed to time out or be disabled (simply opening the driver door should disable RAP) before disconnecting power. Disconnecting power to the OnStar module in any way while the ignition is On or with RAP activated may cause activation of the OnStar Back-Up Battery (BUB) system and will discharge and permanently damage the back-up battery. Once the Back-Up Battery is activated it will stay on until it has completely discharged. The BUB is not rechargeable and once activated the BUB must be replaced.

2. Recover the refrigerant. Refrigerant Recovery and Recharging

3. Drain the cooling system. Draining and Filling Cooling Systems

4. Remove the cross vehicle brace. Brace Replacement - Cross Vehicle





5. Remove the accumulator tube to evaporator core block fitting bolt.

6. Disconnect the accumulator tube from the evaporator.

7. Disconnect the evaporator tube from the evaporator.

8. Remove the O-rings seals and discard.





9. Use J 38185 in order to position aside the heater hose inlet and outlet clamp at the heater core.

10. Disconnect the inlet and outlet heater hose from the heater core.

11. Remove the instrument panel lower trim panel.
Impala Instrument Panel (IP) - Trim Panel Replacement - Lower
Monte Carlo Instrument Panel (IP) - Trim Panel Replacement - Lower





12. Remove the retaining screw (1) from the panel air duct.

13. Remove the retaining bolts from the panel air duct.

14. Remove the panel air duct from the cross vehicle beam.





15. Remove the retaining bolts from the right air duct.

16. Remove the right air duct from the cross vehicle beam.

17. Remove the steering column. Steering Column

18. Disconnect the left side fuse block from the cross vehicle beam.

19. Remove the passenger knee bolster bracket.

20. Position the body control module away from the cross vehicle beam.

21. Disconnect any ground wires, as necessary.

22. Remove the brake pedal. Service and Repair

23. Remove the 3 bolts from the brake pedal bracket to cross vehicle beam.

24. Release the wiring harness retaining clips from the cross vehicle beam and position the wiring harness aside.





25. Remove the bolts from the HVAC module center support.

26. Remove the bracket from the HVAC module center support.

27. Reposition the vacuum harness.





28. Remove the bracket bolts from the HVAC module upper support.





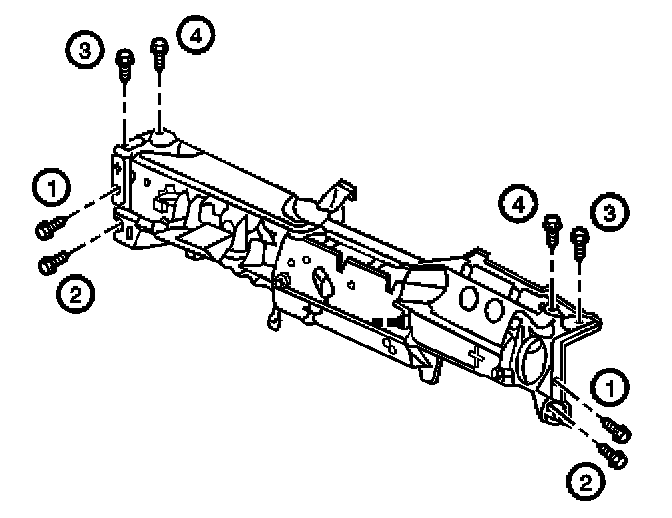
29. Remove the bolts from the right and left side of the cross vehicle beam.





30. Remove the cross vehicle beam.

31. Disconnect the vacuum hoses from the HVAC control module.

32. Disconnect the electrical connectors from the HVAC control module.





33. Remove the evaporator drain elbow.





34. Remove the nuts which secure the HVAC control module to the dash.

35. Remove the HVAC control module:
35.1. Pull the HVAC control module rearward to disengage the mounting studs from the dash panel.
35.2. Position aside the dash insulator pad from the recirculation opening of the HVAC control module.
35.3. Roll the HVAC control module downward and rearward to disconnect the heater core outlet cover from the rear floor air outlet duct.
35.4. Remove the HVAC control module.





36. Remove and discard all of the seals (1,2,3) from the outer HVAC control module.

INSTALLATION PROCEDURE





1. Install new seals (1,2,3) to the outer HVAC control module.

2. Install the HVAC control module into the vehicle:

IMPORTANT: When installing the HVAC control module, ensure that the dash insulator pad cut-outs and the HVAC seals, studs, and drain align and seal properly to the dash panel.

2.1. Align the heater core outlet cover to the rear floor air outlet duct.

2.2. Roll the HVAC control module forward and upward and align the dash insulator pad to the recirculation opening of the HVAC control module.

2.3. Align the mounting studs and the drain on the HVAC control module to seat against the dash panel.





3. Install the nuts which secure the HVAC control module to the dash.

NOTE: Use the correct fastener in the correct location. Replacement fasteners must be the correct part number for that application. Fasteners requiring replacement or fasteners requiring the use of thread locking compound or sealant are identified in the service procedure. Do not use paints, lubricants, or corrosion inhibitors on fasteners or fastener joint surfaces unless specified. These coatings affect fastener torque and joint clamping force and may damage the fastener. Use the correct tightening sequence and specifications when installing fasteners in order to avoid damage to parts and systems.

Tighten
Tighten the nuts to 10 Nm (89 lb in).





4. Install the evaporator drain elbow.

5. Connect the vacuum hoses to the HVAC control module.

6. Connect the electrical connectors to the HVAC control module.





7. Install the cross vehicle beam to the vehicle.





8. Install the bolts to the right and left side of the cross vehicle beam.

9. Tighten the bolts to the right and left side of the cross vehicle beam in sequence.

Tighten
Tighten the bolts to 25 Nm (18 lb ft).





10. Install the bracket bolts to the HVAC module upper support.

Tighten
Tighten the bolts to 10 Nm (89 lb in).

11. Install the passenger knee bolster bracket.





12. Install the bracket to the HVAC module center support.

13. Install the bolts to the HVAC module center support.

14. Reposition the vacuum harness to the original position.

15. Tighten the bolts in sequence as shown.

Tighten
Tighten the bolts to 10 Nm (89 lb in).

16. Reposition the IP wiring harness on to the cross vehicle beam and secure the retaining clips.

17. Install the 3 bolts through the brake pedal bracket to the cross vehicle beam.

Tighten
Tighten the bolts to 50 Nm (37 lb ft).

18. Install the brake pedal. Service and Repair

19. Connect all disconnected ground wires.

20. Install the body control module.

21. Install the left side fuse block to the cross vehicle beam.

22. Install the steering column. Steering Column





23. Install the right air duct to the cross vehicle beam.

24. Install the right air duct bolts.

Tighten
Tighten the bolts to 10 Nm (89 lb in).





25. Install the panel air duct to the cross vehicle beam.

26. Install the panel air duct screw (1).

Tighten
Tighten the screw to 1.8 Nm (16 lb in).

27. Install the panel air duct bolts.

Tighten
Tighten the bolts to 10 Nm (89 lb in).

28. Install the IP lower trim panel.
Impala Instrument Panel (IP) - Trim Panel Replacement - Lower
Monte Carlo Instrument Panel (IP) - Trim Panel Replacement - Lower





29. Connect the inlet and outlet heater hose to the heater core.

IMPORTANT: Reposition the heater core hose clamps in the indicated location.

30. Use J 38185 in order to reposition the heater hose inlet and outlet clamp to the heater core.

31. Install new O-rings seals on the evaporator tube and accumulator tube.





32. Connect the evaporator tube to the evaporator.

33. Connect the accumulator tube to the evaporator.

34. Install the accumulator tube to evaporator core block fitting bolt.

Tighten
Tighten the screws to 16 Nm (12 lb ft).

35. Install the cross vehicle brace. Brace Replacement - Cross Vehicle

36. Fill the cooling system. Draining and Filling Cooling Systems

37. Evacuate and recharge the A/C system. Refrigerant Recovery and Recharging

38. Connect the battery negative cable. Service and Repair

39. Leak test the fittings of the component using J 39400-A.