Operation CHARM: Car repair manuals for everyone.
Manuals through 2025 now available!

Our trusted friends have launched a new website named LEMON, which has newer manuals. It also contains all the CHARM manuals.

LEMON is the spiritual successor to CHARM, I recommend you try it!

Link: lemon-manuals.la or lemon-manuals.org.ua

(Some people have issue connecting. LEMON is investigating. For now, use Firefox or change your DNS server)

Or, hide this message: temporarily or permanently

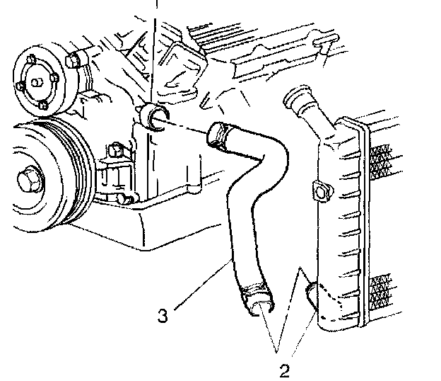
Outlet

Radiator Hose Replacement - Outlet (3.8L)

^ Tools Required
- J 38185 Hose Clamp Pliers

Removal Procedure
1. Drain the cooling system.
2. Remove the lower radiator air deflects.
3. Use the J 38185 in order to reposition the hose clamp from the radiator.





4. Remove the radiator outlet hose to the radiator (2).
5. Lower the vehicle.
6. Use J 38185 in order to reposition the hose clamp from the water pump housing.





7. Remove the radiator outlet hose from the water pump housing.

Installation Procedure





1. Align the marks on the hose. Install the radiator outlet hose to the water pump housing.
2. Use J 38185 in order to reposition the hose clamp to the water pump housing.
3. Raise and support the vehicle. Refer to Vehicle Lifting.





4. Install the radiator outlet hose (3) to the radiator (2).
5. Use J 38185 in order to reposition the hose clamp to the radiator.
6. Install the lower radiator air deflector.
7. Fill the cooling system.