Operation CHARM: Car repair manuals for everyone.
Manuals through 2025 now available!

Our trusted friends have launched a new website named LEMON, which has newer manuals. It also contains all the CHARM manuals.

LEMON is the spiritual successor to CHARM, I recommend you try it!

Link: lemon-manuals.la or lemon-manuals.org.ua

(Some people have issue connecting. LEMON is investigating. For now, use Firefox or change your DNS server)

Or, hide this message: temporarily or permanently

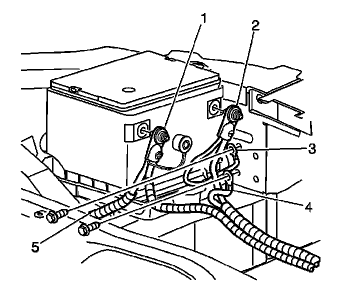
Battery: Service and Repair

REMOVAL PROCEDURE




1. Disconnect the negative battery cable (2 ).
2. Disconnect the positive battery cable (1).
3. Remove the battery hold down retainer.




4. Remove the battery.

IMPORTANT: Do not tip the battery more than 40 degrees during removal.

INSTALLATION PROCEDURE




1. Install the battery to the battery tray.

IMPORTANT: Do not tip the battery more than 40 degrees during battery installation.

2. Install the battery hold down retainer.

NOTE: Refer to Fastener Notice in Service Precautions.

Tighten
Tighten bolt to 18 N.m (13 lb ft).




3. Connect the positive battery cable.

Tighten
Tighten the positive battery cable bolt (1 ) to 15 N.m (11 lb ft).

4. Connect the negative battery cable (2 ).