Operation CHARM: Car repair manuals for everyone.
Manuals through 2025 now available!

Our trusted friends have launched a new website named LEMON, which has newer manuals. It also contains all the CHARM manuals.

LEMON is the spiritual successor to CHARM, I recommend you try it!

Link: lemon-manuals.la or lemon-manuals.org.ua

(Some people have issue connecting. LEMON is investigating. For now, use Firefox or change your DNS server)

Or, hide this message: temporarily or permanently

Fuel Tank Pressure Sensor: Service and Repair

REMOVAL PROCEDURE




1. Disconnect the negative battery cable.
2. Relieve the fuel pressure. Refer to Fuel Pressure Relief Procedure.
3. Drain the fuel tank. Refer to Fuel Tank Draining Procedure (2-Door Utility).
4. Remove the fuel tank.
5. Disconnect the fuel tank pressure sensor electrical connector.
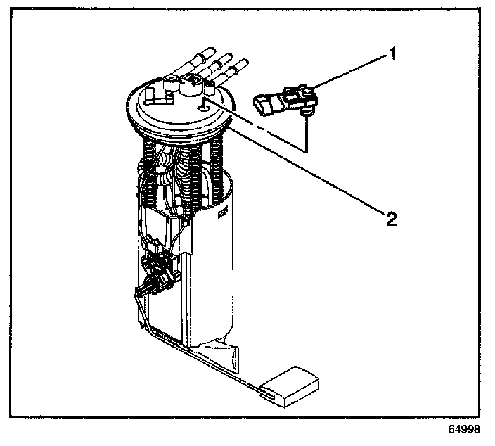
6. Remove the fuel tank pressure sensor (1) from fuel sender assembly (2).

INSTALLATION PROCEDURE




1. Install the fuel tank pressure sensor (1) on the fuel sender assembly (2).
2. Connect the fuel tank pressure sensor electrical connector.
3. Install the fuel tank.
4. Refill the fuel tank.
5. Install the fuel filler cap.
6. Connect the negative battery cable.
7. Inspect for leaks.
7.1. Turn ON the ignition for 2 seconds.
7.2. Turn OFF the ignition for 10 seconds.
7.3. Turn ON the ignition.
7.4. Inspect for fuel leaks.