Operation CHARM: Car repair manuals for everyone.
Manuals through 2025 now available!

Our trusted friends have launched a new website named LEMON, which has newer manuals. It also contains all the CHARM manuals.

LEMON is the spiritual successor to CHARM, I recommend you try it!

Link: lemon-manuals.la or lemon-manuals.org.ua

(Some people have issue connecting. LEMON is investigating. For now, use Firefox or change your DNS server)

Or, hide this message: temporarily or permanently

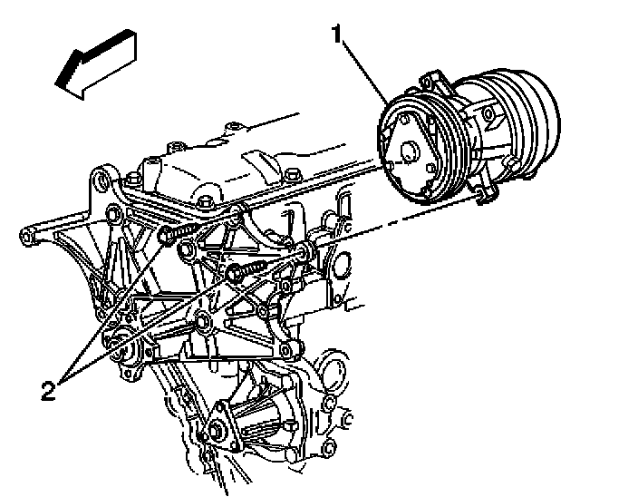
Compressor Replacement

COMPRESSOR REPLACEMENT

TOOLS REQUIRED
J 39400-A Halogen Leak Detector

REMOVAL PROCEDURE
1. Recover the refrigerant from the A/C system. Refer to Refrigerant Recovery and Recharging.
2. Install a 3/8 inch drive wrench on the drive belt tensioner arm and rotate the arm counterclockwise.
3. Reposition the drive belt from the A/C compressor.
4. Slowly release the tension on the drive belt tensioner arm.
5. Disconnect the electrical connectors as necessary.
6. Remove the compressor hose assembly.

IMPORTANT Some system pressure may still exist in the A/C compressor crankcase after you evacuate the system.







7. Remove the compressor mounting bolts (2) from the bottom, front of the A/C compressor (1).







8. Remove the compressor rear bracket bolts.
9. Remove the compressor from the brackets.
10. If replacing the compressor, balance the refrigerant oil.




INSTALLATION PROCEDURE
1. Install the compressor to the brackets.







2. Install the compressor mounting bolts (2) to the A/C compressor (1).

NOTE: Refer to Fastener Notice in Service Precautions. Vehicle Damage Warnings


Tighten
Tighten the bolts to .....50 N.m (37 lb ft).







3. Install the compressor rear bracket bolts.

Tighten
Tighten the bolts to ................25 N.m (18 lb ft).

4. Install the compressor hose assembly.
5. Connect the electrical connectors as necessary.
6. Install a 3/8 inch drive wrench on the drive belt tensioner arm and rotate the arm counterclockwise.
7. Reposition the drive belt to the A/C compressor.
8. Slowly release the tension on the drive belt tensioner arm.
9. Inspect for the drive belt being properly installed on the pulleys.
10. Evacuate and recharge the refrigerant system. Refer to Refrigerant Recovery and Recharging.
11. Leak test the fittings components using the J 39400-A.