Operation CHARM: Car repair manuals for everyone.
Manuals through 2025 now available!

Our trusted friends have launched a new website named LEMON, which has newer manuals. It also contains all the CHARM manuals.

LEMON is the spiritual successor to CHARM, I recommend you try it!

Link: lemon-manuals.la or lemon-manuals.org.ua

(Some people have issue connecting. LEMON is investigating. For now, use Firefox or change your DNS server)

Or, hide this message: temporarily or permanently

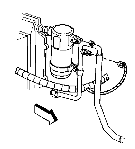
A/C Refrigerant Pressure Sensor

AIR CONDITIONING (A/C) REFRIGERANT PRESSURE SENSOR REPLACEMENT







REMOVAL PROCEDURE
1. Disconnect the A/C refrigerant pressure sensor electrical connector.







2. Remove the A/C refrigerant pressure sensor from the evaporator tube.
3. Remove and discard the O-ring seal from the A/C refrigerant pressure sensor port on the evaporator tube.







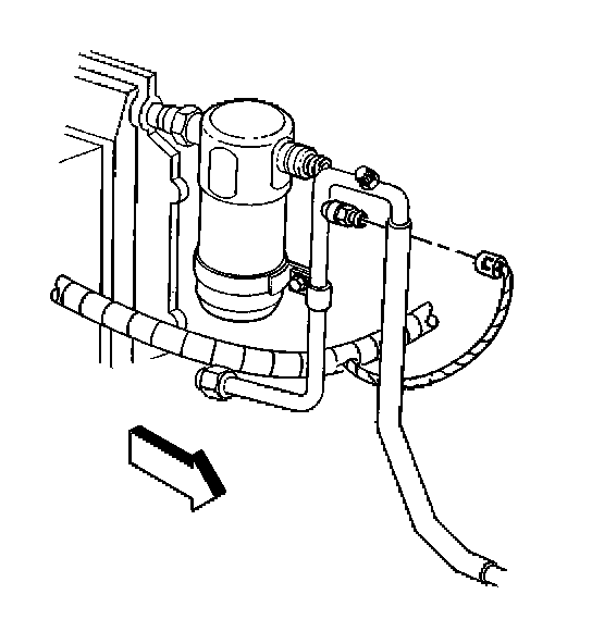
INSTALLATION PROCEDURE
1. Using a lint-free clean, dry cloth, carefully clean the sealing surfaces of the refrigerant pressure sensor port on the evaporator tube.
2. Lightly coat the new O-ring seal with mineral base 525 viscosity refrigerant oil.
3. Slide the new O-ring seal onto the A/C refrigerant pressure sensor port on the evaporator tube front until the unit is fully seated.

IMPORTANT: DO NOT allow any of the mineral base 525 viscosity refrigerant oil on the O-ring seal to enter the refrigerant system.

4. Install the A/C refrigerant pressure sensor to the evaporator tube.

NOTE: Refer to Fastener Notice in Service Precautions. Vehicle Damage Warnings

Tighten
Tighten the A/C refrigerant pressure sensor to..................4.8 N.m (42 lb in).







5. Connect the A/C refrigerant pressure sensor electrical connector.
6. Leak test the fittings of the component using the J 39400-A.