Operation CHARM: Car repair manuals for everyone.
Manuals through 2025 now available!

Our trusted friends have launched a new website named LEMON, which has newer manuals. It also contains all the CHARM manuals.

LEMON is the spiritual successor to CHARM, I recommend you try it!

Link: lemon-manuals.la or lemon-manuals.org.ua

(Some people have issue connecting. LEMON is investigating. For now, use Firefox or change your DNS server)

Or, hide this message: temporarily or permanently

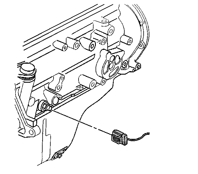
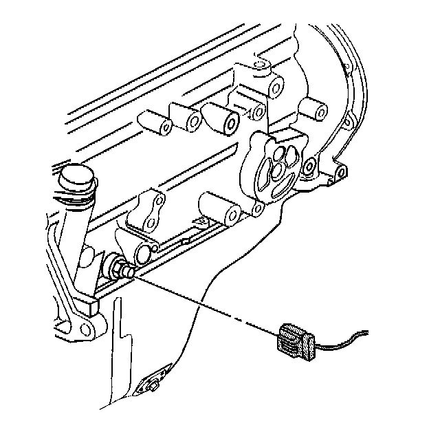
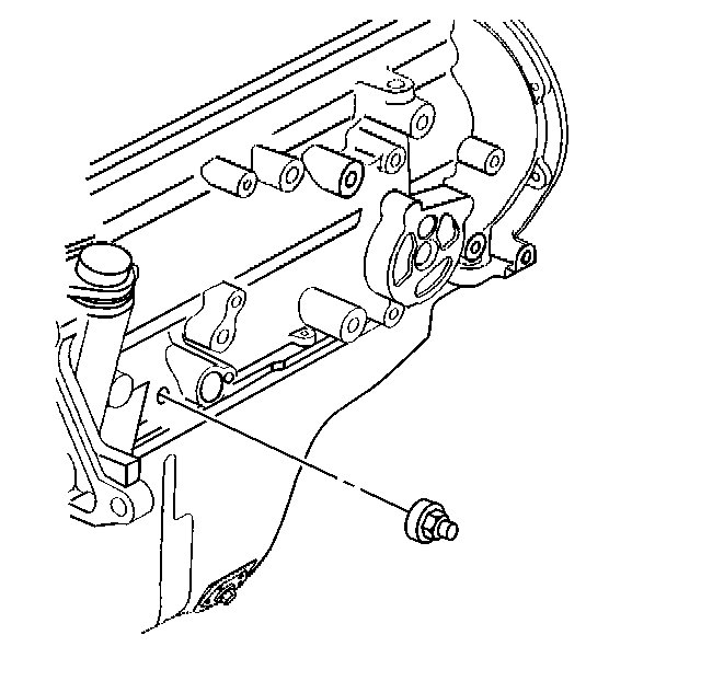
Knock Sensor: Service and Repair

REMOVAL PROCEDURE
1. Disconnect the negative battery cable.

CAUTION: Refer to Battery Disconnect Caution in Service Precautions.

2. Raise the vehicle.

CAUTION: Refer to Vehicle Lifting Caution in Service Precautions.




3. Disconnect the KS wiring harness connector from the KS.




4. Remove the KS from the engine block.

INSTALLATION PROCEDURE




1. After cleaning the threads thoroughly, install the KS into the engine block.

NOTE: Refer to Fastener Notice in Service Precautions.

Tighten
Tighten the KS to 19 N.m (14 lb ft).




2. Connect the KS wiring harness connector to the KS.
3. Lower the vehicle.
4. Connect the negative battery cable.