Operation CHARM: Car repair manuals for everyone.
Manuals through 2025 now available!

Our trusted friends have launched a new website named LEMON, which has newer manuals. It also contains all the CHARM manuals.

LEMON is the spiritual successor to CHARM, I recommend you try it!

Link: lemon-manuals.la or lemon-manuals.org.ua

(Some people have issue connecting. LEMON is investigating. For now, use Firefox or change your DNS server)

Or, hide this message: temporarily or permanently

Air Injection Manifold: Service and Repair

SECONDARY AIR INJECTION (AIR) MANIFOLD/PIPE REPLACEMENT

REMOVAL PROCEDURE
1. Turn OFF the ignition.
2. Remove the serpentine belt.




3. Remove the front A/C compressor mounting bolts. (2)




4. Remove the 4 rear A/C compressor to power steering (P/S) lower bracket bolts.
5. Move the A/C compressor assembly out of the way.




6. Remove the top 2 P/S bracket bolts from the cylinder head.
7. Remove the 2 bolts holding the P/S pump to the lower bracket and remove bracket.




8. Disconnect the AIR pump outlet tube from the AIR check valve.
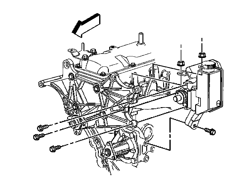
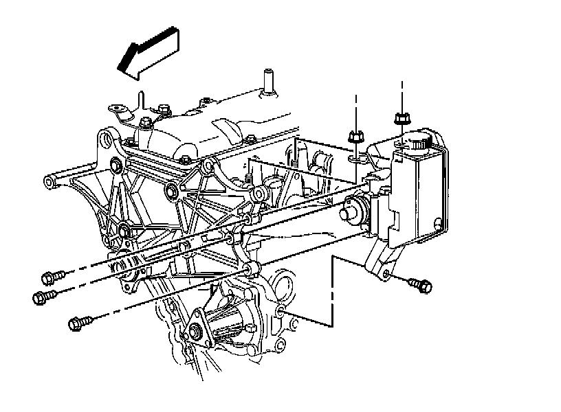
9. Remove the 4 attaching nuts (1) holding the AIR check valve and manifold/pipe assembly (2) to the exhaust manifold and remove the assembly.
10. Remove the check valve from the manifold pipe (2).

INSTALLATION PROCEDURE
1. Install the check valve to the manifold pipe (2).




2. Install the AIR check valve and manifold/pipe assembly to the exhaust manifold studs with the 4 attaching nuts. (1)

NOTE: Refer to Fastener Notice in Service Precautions.

Tighten
Tighten the 4 nuts to 14 N.m (10 lb ft).

3. Connect the AIR pump outlet tube to the AIR check valve.




4. Install the power steering lower bracket and 2 attaching bolts.

Tighten
Tighten the 2 bolts to 50 N.m (37 lb ft).

5. Install the top 2 power steering bracket bolts to the cylinder head.

Tighten
Tighten the 2 bolts to 50 N.m (37 lb ft).




6. Move the A/C compressor into place and install the front A/C compressor bolts (2).

Tighten
Tighten the front bolts (2) to 50 N.m (37 lb ft).




7. Install the 4 rear A/C compressor to P/S bracket bolts.

Tighten
Tighten the 4 rear bolts to 24 N.m (18 lb ft).

8. Install the drive belt.