Operation CHARM: Car repair manuals for everyone.
Manuals through 2025 now available!

Our trusted friends have launched a new website named LEMON, which has newer manuals. It also contains all the CHARM manuals.

LEMON is the spiritual successor to CHARM, I recommend you try it!

Link: lemon-manuals.la or lemon-manuals.org.ua

(Some people have issue connecting. LEMON is investigating. For now, use Firefox or change your DNS server)

Or, hide this message: temporarily or permanently

Valve Spring: Service and Repair



Valve Stem Oil Seal and Valve Spring Replacement
^ Tools Required
- J 22794 Spark Plug Port Adapter
- J 38606 Valve Spring Compressor

Removal Procedure





1. Remove the valve rocker arm.
2. Disconnect the spark plug wire at the spark plug.
^ Twist each plug wire boot 1/2 turn.
^ Pull only on the boot in order to remove the wire from the spark plug.





Important:
Remove the spark plugs from the cylinder head with the engine at room temperature.

3. Loosen the spark plug 1 or 2 turns.
4. Brush or air blast away any dirt or debris from around the spark plug.
5. Remove the spark plug.





6. Install J 22794 into the spark plug hole.
7. Attach an air hose to J 22794.
8. Apply compressed air to J 22794 in order to hold the valves in place.





9. Use J 38606 in order to compress the valve spring.





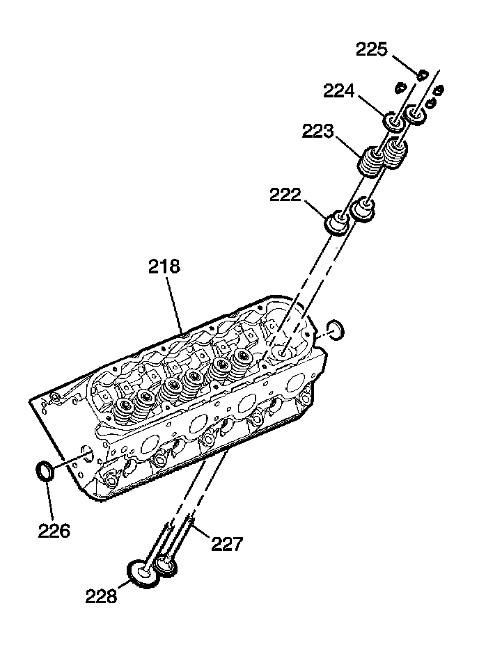
10. Remove the valve stem keys (225).
11. Carefully release the valve spring tension.
12. Remove the J 38606.
13. Remove the valve spring cap (224).
14. Remove the valve spring (223).

Important:
A second design valve stem oil seal and shim may be used on later engines.

A separate spring shim is not required with the second design seal and shim.
15. Remove the valve stem oil seal and shim (222).

Installation Procedure





1. Clean the cylinder head valve spring seat and/or shim area.
2. Install the valve stem oil seal and shim (222).
3. Install the valve spring (223).
4. Install the valve spring cap (224).





5. Compress the valve spring using the J 38606.
6. Install the valve keys.
^ Use grease in order to hold the valve keys in place.
^ Make sure the keys seat properly in the groove of the valve stem.
^ Carefully release the valve spring pressure, making sure the valve keys stay in place.
^ Remove the J 38606.
^ Tap the end of the valve stem with a plastic faced hammer to seat the keys (if necessary).





7. Remove J 22794 from the spark plug port.





8. Notice:
Refer to Fastener Notice in Service Precautions.

Hand start the spark plug.
Tighten the spark plug to 15 Nm (11 ft. lbs.).
9. Install the spark plug wires at the ignition coil.
10. Install the spark plug wire to the spark plug.
11. Inspect the wires for proper installation:
^ Push sideways on each boot in order to check for proper installation.
^ Reinstall any loose boot.
12. Install the valve rocker arm.