Operation CHARM: Car repair manuals for everyone.
Manuals through 2025 now available!

Our trusted friends have launched a new website named LEMON, which has newer manuals. It also contains all the CHARM manuals.

LEMON is the spiritual successor to CHARM, I recommend you try it!

Link: lemon-manuals.la or lemon-manuals.org.ua

(Some people have issue connecting. LEMON is investigating. For now, use Firefox or change your DNS server)

Or, hide this message: temporarily or permanently

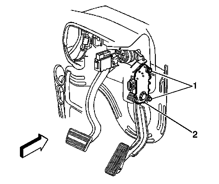
Accelerator Pedal Position Sensor: Service and Repair

ACCELERATOR PEDAL POSITION (APP) SENSOR REPLACEMENT

REMOVAL PROCEDURE

NOTE: Refer to Handling Electronic Throttle Control Notice in Service Precautions.




1. Remove the left instrument panel (IP) lower closeout insulator panel.




2. Disconnect the accelerator pedal position (APP) sensor harness connector.
Remove the accelerator pedal mounting bolts (1).
3. Remove the APP assembly (2).

INSTALLATION PROCEDURE




1. Install the APP assembly (2) to the steering column support bracket.

NOTE: Refer to the Fastener Notice in Service Precautions.

IMPORTANT: Always use a torque wrench in order to obtain the proper torque.

2. Install the accelerator pedal mounting bolts (1).

Tighten
Tighten the accelerator pedal mounting bolts to 20 N.m (15 lb ft).




3. Connect the APP sensor harness connector.
4. Verify that the vehicle meets the following conditions:
- The vehicle is not in a Reduced Engine Power mode.
- The ignition is ON.
- The engine is OFF.
5. Connect a scan tool in order to test for a proper throttle-opening and throttle-closing range.
6. Operate the accelerator pedal and monitor the throttle angles. The accelerator pedal should operate freely, without binding, between a closed throttle, and a wide open throttle (WOT).
7. Inspect the carpet fit under the accelerator pedal.
8. Install the left IP lower closeout insulator panel.